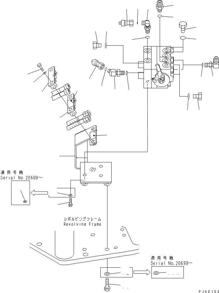
Запчасти Komatsu PC58UU-3 MULTI PATERN (ПАТРУБОК) (WAY) (СЕВ. АМЕРИКА СПЕЦ-Я.) ГИДРАВЛИКА

Схема запчастей Komatsu PC58UU-3 - MULTI PATERN (ПАТРУБОК) (WAY) (СЕВ. АМЕРИКА СПЕЦ-Я.) ГИДРАВЛИКА
1
2
3
3
4
4
5
6
7
7
7
8
8
8
8
8
8
8
9
10
10A
11
11A
12
12
13
13
14
14
15
16
FIT
1:1
100%

Артикул

Название

Примечание

Количество

1

02783-10210

ELBOW

2

02782-10210

ELBOW

3

22M-62-15590

JOINT

4

02896-11008

O-RING

5

201-62-75420

ELBOW

6

20X-62-47410

NIPPLE

7

07040-11409

PLUG

8

07002-11423

O-RING

9

20U-62-43810

BRACKET

10

01010-81025

BOLT

10A

01643-31032

WASHER

11

01010-81035

BOLT

11A

01643-31032

WASHER

12

01643-31032

WASHER

13

20U-62-43820

PLATE

14

20U-62-43850

SHEET

15

01010-81070

BOLT

16

01643-31032

WASHER

Выбрано товаров: 18