Запчасти Komatsu PC58UU-3 КОНДИЦ. ВОЗДУХА (КОМПРЕССОР И КОРПУС) КАБИНА ОПЕРАТОРА И СИСТЕМА УПРАВЛЕНИЯ

Схема запчастей Komatsu PC58UU-3 - КОНДИЦ. ВОЗДУХА (КОМПРЕССОР И КОРПУС) КАБИНА ОПЕРАТОРА И СИСТЕМА УПРАВЛЕНИЯ
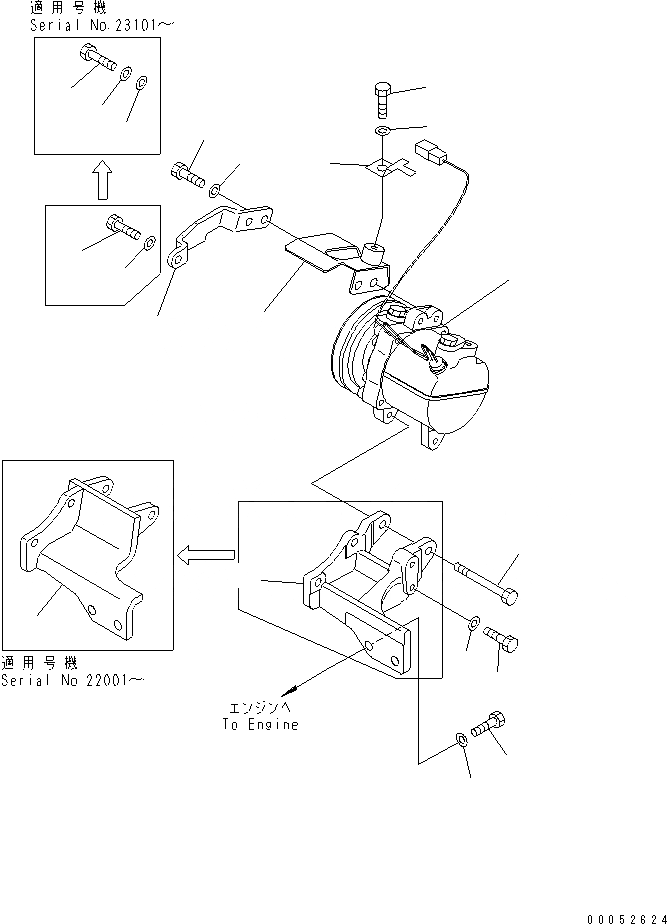
1
2
2
3
4
5
6
7
8
9
10
11
11
12
12
13
14
15
16
17
FIT
1:1
100%

Артикул

Название

Примечание

Количество

1

20U-978-2510

COMPRESSOR

2

20U-979-4450

BRACKET

2

20U-978-2310

BRACKET

3

20U-979-4150

BOLT

4

01010-80825

BOLT

5

01643-30823

WASHER

6

01010-80860

BOLT

7

01643-30823

WASHER

8

01010-81035

BOLT

9

01643-31032

WASHER

10

20U-979-4321

STAY

10

20U-979-4320

STAY

11

01010-80865

BOLT

11

01010-80850

BOLT

12

01643-30823

WASHER

13

01643-30823

WASHER

14

08053-01512

CLIP

15

20U-979-4170

BRACKET

16

01010-81020

BOLT

17

01643-31032

WASHER

Выбрано товаров: 20