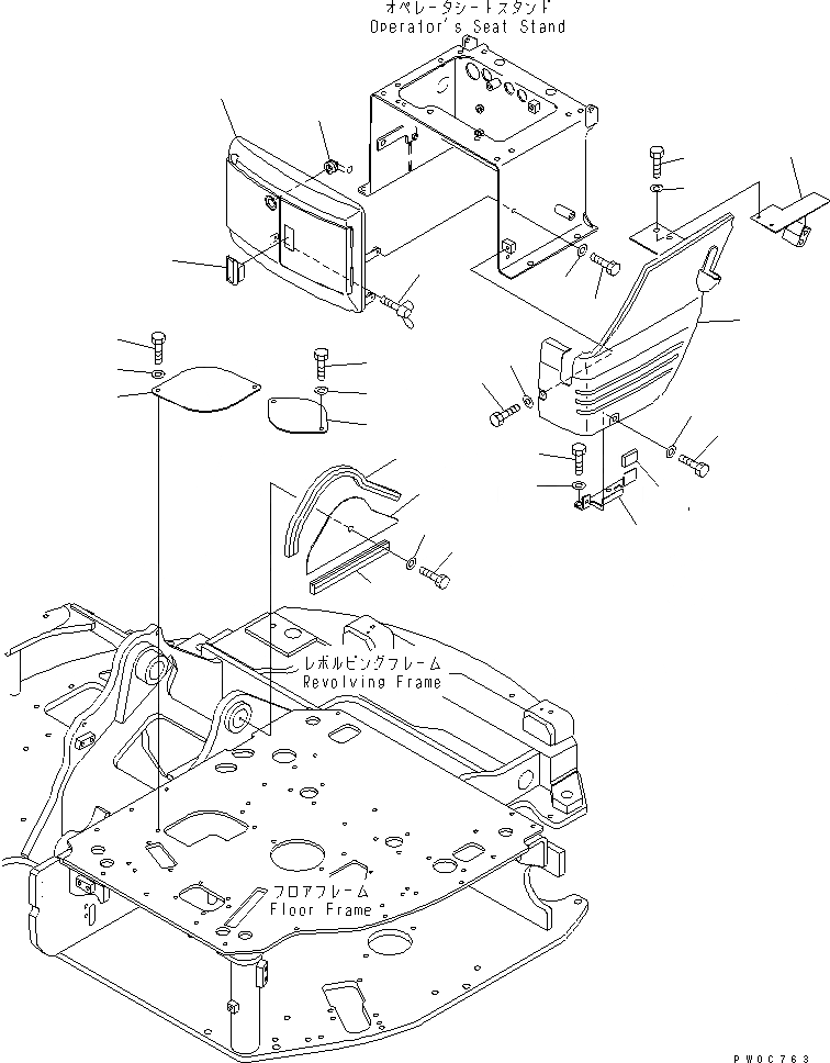
Запчасти Komatsu PC58UU-3 ПОКРЫТИЕ ПОЛА (НАВЕС) КАБИНА ОПЕРАТОРА И СИСТЕМА УПРАВЛЕНИЯ

Схема запчастей Komatsu PC58UU-3 - ПОКРЫТИЕ ПОЛА (НАВЕС) КАБИНА ОПЕРАТОРА И СИСТЕМА УПРАВЛЕНИЯ
1
2
3
4
5
6
7
8
9
10
10
11
11
12
13
14
15
16
17
18
19
19A
20
21
22
23
24
25
26
FIT
1:1
100%

Артикул

Название

Примечание

Количество

1

20U-54-43130

COVER

2

01010-81016

BOLT

3

01643-31032

WASHER

4

20U-54-43140

COVER

5

01010-81016

BOLT

6

01643-31032

WASHER

7

20U-54-43171

COVER

8

01010-D0820

BOLT

9

01643-70823

WASHER

10

01010-D1020

BOLT

11

01643-71032

WASHER

|12

20U-54-43200

COVER ASS'Y

12

01434-10616

BOLT¤ WING

13

20P-54-71530

LOCK ASS'Y

14

20U-54-43220

COVER

15

21U-54-32340

CATCH

16

01010-D0820

BOLT

17

01643-70823

WASHER

18

20U-54-43181

BRACKET

19

20U-54-43162

BRACKET

19A

20U-03-21470

SEAL

20

01010-81016

BOLT

21

01643-31032

WASHER

22

20U-54-42190

PLATE

23

21X-54-21431

SEAL

24

20U-54-42231

SEAL

25

01010-D1016

BOLT

26

01643-71032

WASHER

Выбрано товаров: 28