Запчасти Komatsu PC58UU-3 АККУМУЛЯТОР И КРЕПЛЕНИЕ ЭЛЕКТРИКА

Схема запчастей Komatsu PC58UU-3 - АККУМУЛЯТОР И КРЕПЛЕНИЕ ЭЛЕКТРИКА
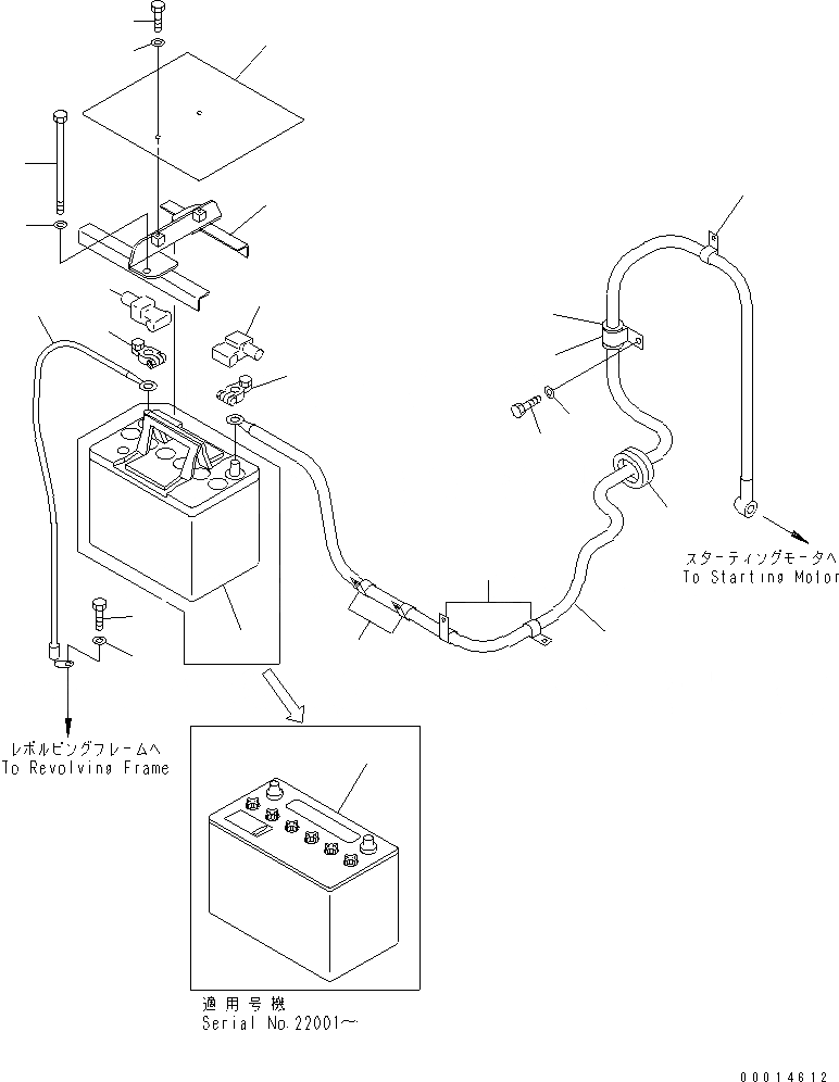
1
1
2
3
4
5
6
7
8
9
10
11
12
13
14
15
16
16
16
17
18
19
20
21
FIT
1:1
100%

Артикул

Название

Примечание

Количество

1

21Y-06-11510

BATTERY¤ WET(115D31R

|1

20U-06-41231

BATTERY

2

08000-00000

TERMINAL¤ (+)

3

08000-00001

TERMINAL¤ (-)

4

20U-06-41240

PLATE

5

418-09-11120

BOLT

6

01643-31032

WASHER

7

22M-06-11290

SHEET

8

01010-80610

BOLT

9

21U-43-25220

WASHER

10

20U-06-41210

CABLE

11

20U-06-21680

CAP

12

20U-06-41220

CABLE

13

01010-81020

BOLT

14

01643-31032

WASHER

15

08038-22009

CAP

16

04434-51710

CLIP

17

07095-20318

CUSHION

18

04434-52511

CLIP

19

01010-81025

BOLT

20

01643-31032

WASHER

21

22M-06-11410

GROMMET

Выбрано товаров: 22