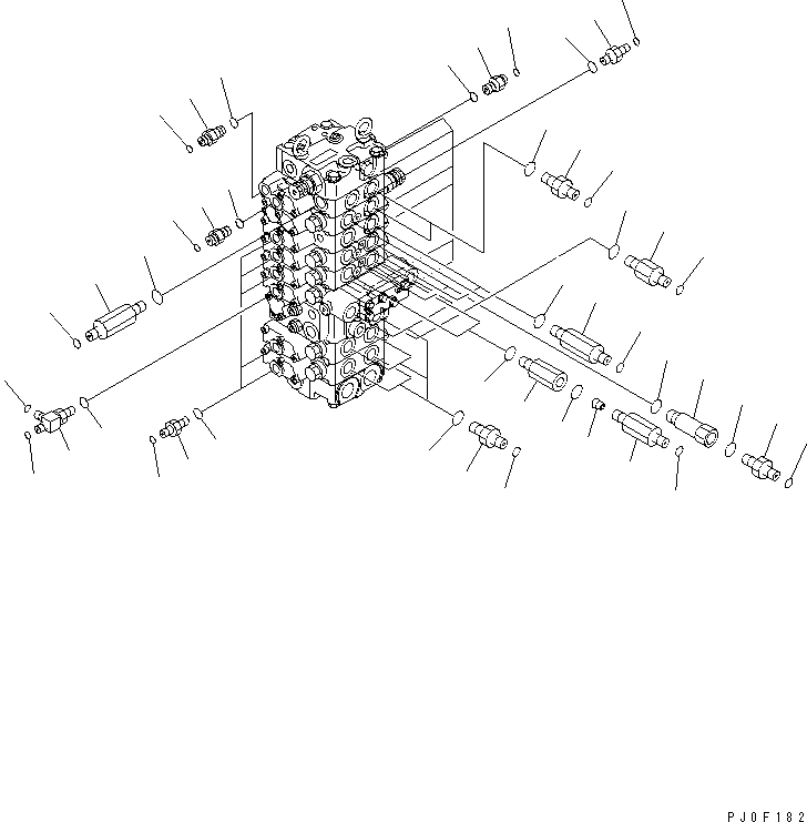
Запчасти Komatsu PC58UU-3 ОСНОВН. КЛАПАН (ПАТРУБОК) (ДЛЯ SLIDE РУКОЯТЬ) ГИДРАВЛИКА

Схема запчастей Komatsu PC58UU-3 - ОСНОВН. КЛАПАН (ПАТРУБОК) (ДЛЯ SLIDE РУКОЯТЬ) ГИДРАВЛИКА
1
1
2
3
4
5
5
6
7
8
9
9
9
9
9
9
9
9
9
10
10
10
10
11
11
11
12
12
13
14
14
15
16
16
16
16
16
16
17
17
17
17
17
17
17
FIT
1:1
100%

Артикул

Название

Примечание

Количество

1

11Y-62-12360

UNION

|2

20U-957-3660

NIPPLE ASS'Y

2

20U-957-3670

PLUG

3

20U-957-3680

NIPPLE

4

11Y-62-12350

NIPPLE

5

21W-62-42420

UNION

6

20T-62-84370

JOINT

7

20U-62-41940

UNION

8

20U-62-32480

JOINT

9

07002-11823

O-RING

10

02896-11009

O-RING

11

02896-11012

O-RING

12

11Y-62-12130

NIPPLE

13

20U-62-43710

NIPPLE

14

20U-60-42210

VALVE ASS'Y

15

11Y-62-12330

TEE

16

07002-11423

O-RING

17

02896-11008

O-RING

Выбрано товаров: 18