Запчасти Komatsu PC60-2 ПРУЖИНА ХОДОВАЯ

Схема запчастей Komatsu PC60-2 - ПРУЖИНА ХОДОВАЯ
FIT
1:1
100%

Артикул

Название

Примечание

Количество

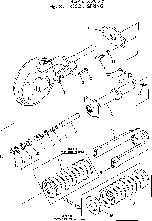
1

201-30-24111

ROD

2

01010-31230

BOLT

3

01602-01236

WASHER,SPRING

4

103-30-24160

PISTON

5

07155-00410

RING,WIRE

6

09370-00040

U-PACKING

7

04064-02512

RING,SNAP

8

201-30-24151

SPACER

9

201-30-24131

CYLINDER

10

07177-04025

BUSHING

11

07016-00407

SEAL,DUST

12

201-30-24170

SPACER

13

04065-05220

RING,SNAP

14

201-30-24160

FRAME

15

201-30-24190

SPRING,RECOIL

|15

201-30-27420

SPRING,RECOIL

16

201-30-27410

SPACER

17

201-30-24180

COVER

18

01010-31845

BOLT

19

01643-31845

WASHER

20

07959-20000

VALVE

21

10G-30-14110

PLATE

22

01010-30816

BOLT

23

01602-00825

WASHER,SPRING

Выбрано товаров: 24