Качественные детали и логистика
Оригинальные и аналоговые запчасти с доставкой по России, Казахстану и Беларуси
©2022 PartSell ООО "Система" ИНН 2463123282 ОГРН 1212400004838
Центральный офис: г. Красноярск, Академика Киренского, д.87, пом.4
Телефон: 8 (800) 777-65-74 Email: zakaz@partsell.ru
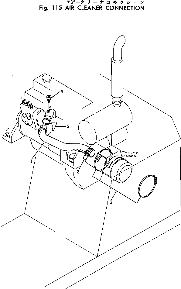
ВОЗДУХООЧИСТИТЕЛЬ СОЕДИН-Е
№
Артикул
Название
Примечание
Количество
1
201-01-31110
HOSE
2
07281-00809
CLAMP
3
07281-01919
4
08670-00635
INDICATOR,DUST
Выбрано товаров: 0