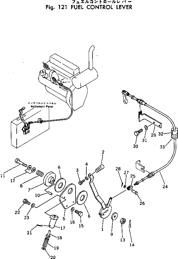
Запчасти Komatsu PC60-2 РЫЧАГ УПРАВЛ-Я ПОДАЧЕЙ ТОПЛИВА КОМПОНЕНТЫ ДВИГАТЕЛЯ И ЭЛЕКТРИКА

Схема запчастей Komatsu PC60-2 - РЫЧАГ УПРАВЛ-Я ПОДАЧЕЙ ТОПЛИВА КОМПОНЕНТЫ ДВИГАТЕЛЯ И ЭЛЕКТРИКА
FIT
1:1
100%

Артикул

Название

Примечание

Количество

|1

201-43-00052

LEVER ASS'Y

1

201-43-22112

LEVER

2

205-43-62550

KNOB

3

01050-31225

BOLT

4

01602-01236

WASHER,SPRING

5

201-43-22120

BRACKET

6

101-43-11281

FACING

7

201-43-22181

DISC

8

154-43-14690

SPRING

9

101-43-11380

COVER

10

04020-00616

PIN,DOWEL

11

01052-31265

BOLT

12

01640-01223

WASHER

13

01593-01210

NUT

14

04050-03020

PIN,COTTER

15

01010-31230

BOLT

16

01602-01236

WASHER,SPRING

17

124-43-21150

HOLDER

18

124-43-21160

PIN

19

124-43-21170

SPRING

20

01642-21216

WASHER

21

04050-06045

PIN,COTTER

22

01010-30620

BOLT

23

01602-00619

WASHER,SPRING

24

20T-43-23130

CABLE

25

04211-00500

YOKE

26

04205-00516

PIN

27

01641-20508

WASHER

28

04050-01208

PIN,COTTER

29

103-43-25180

BRACKET

30

01010-31020

BOLT

31

01602-01030

WASHER,SPRING

32

201-43-22190

BUSHING

33

08024-01910

TAPE

Выбрано товаров: 0