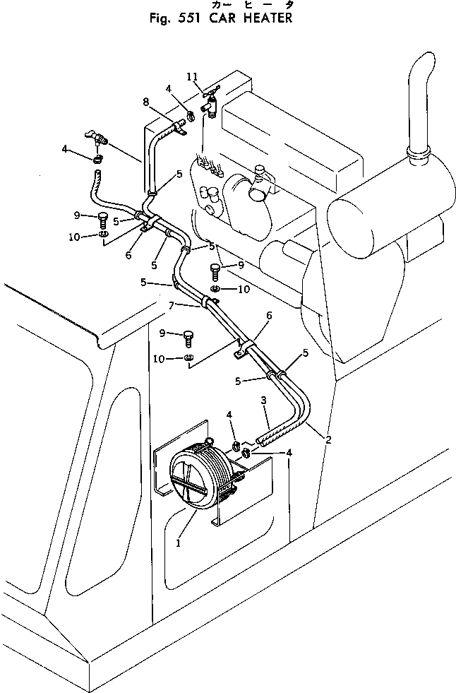
Запчасти Komatsu PC60-2 ОБОГРЕВАТЕЛЬ. ОСНОВНАЯ РАМА И КАБИНА

Схема запчастей Komatsu PC60-2 - ОБОГРЕВАТЕЛЬ. ОСНОВНАЯ РАМА И КАБИНА
FIT
1:1
100%

Артикул

Название

Примечание

Количество

1

09480-50000

HEATER,CAR

2

09483-00426

HOSE

3

09483-00423

HOSE

4

09480-10100

CLAMP

|4

07281-00229

CLAMP

5

202-981-1360

BUSHING

6

141-04-34110

CLIP

7

141-04-34110

CLIP

8

175-06-36150

CLIP

9

01010-31020

BOLT

10

01602-01030

WASHER,SPRING

11

201-54-24130

VALVE

Выбрано товаров: 0