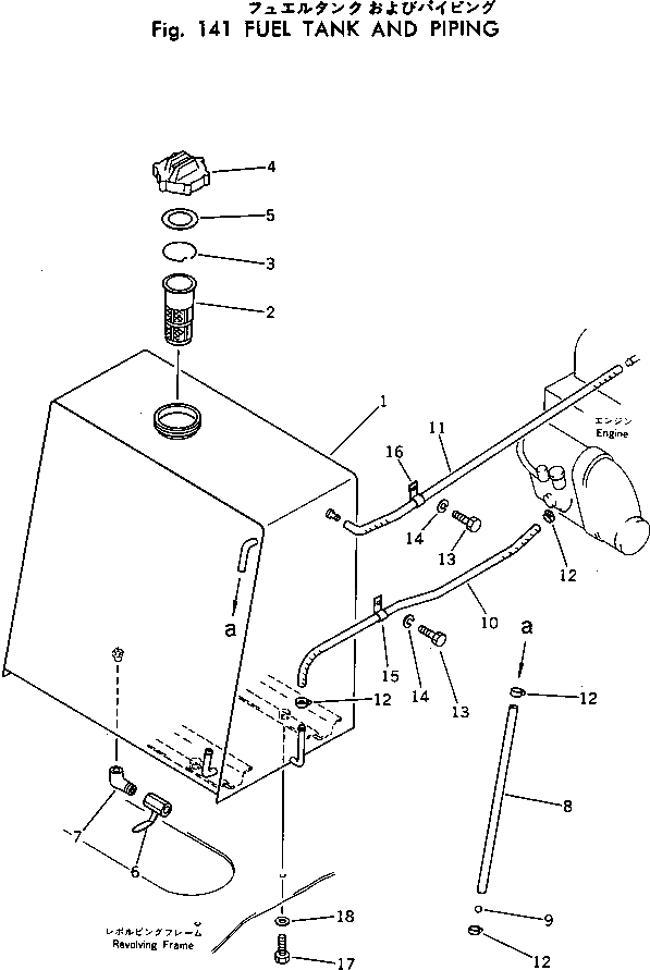
Запчасти Komatsu PC60-2 ТОПЛ. БАК И ТОПЛИВОПРОВОД КОМПОНЕНТЫ ДВИГАТЕЛЯ И ЭЛЕКТРИКА

Схема запчастей Komatsu PC60-2 - ТОПЛ. БАК И ТОПЛИВОПРОВОД КОМПОНЕНТЫ ДВИГАТЕЛЯ И ЭЛЕКТРИКА
FIT
1:1
100%

Артикул

Название

Примечание

Количество

|1

201-04-00030

FUEL TANK ASS'Y

1

201-04-31111

TANK,FUEL

2

07056-16415

STRAINER

3

07057-03266

RING

4

07050-20900

CAP

|4

07091-10900

CAP,(FOR VANDALISM) (OP)

5

07050-20902

GASKET

6

07700-40240

VALVE

7

07323-30200

ELBOW

8

07270-01251

TUBE

9

201-04-21160

BALL

10

201-04-31120

HOSE

11

6131-71-5530

HOSE

12

07281-00197

CLAMP

13

01010-31016

BOLT

14

01602-01030

WASHER,SPRING

15

08036-01814

CLIP

16

144-874-6970

CLIP

17

01010-31230

BOLT

18

01605-11226

WASHER

Выбрано товаров: 20