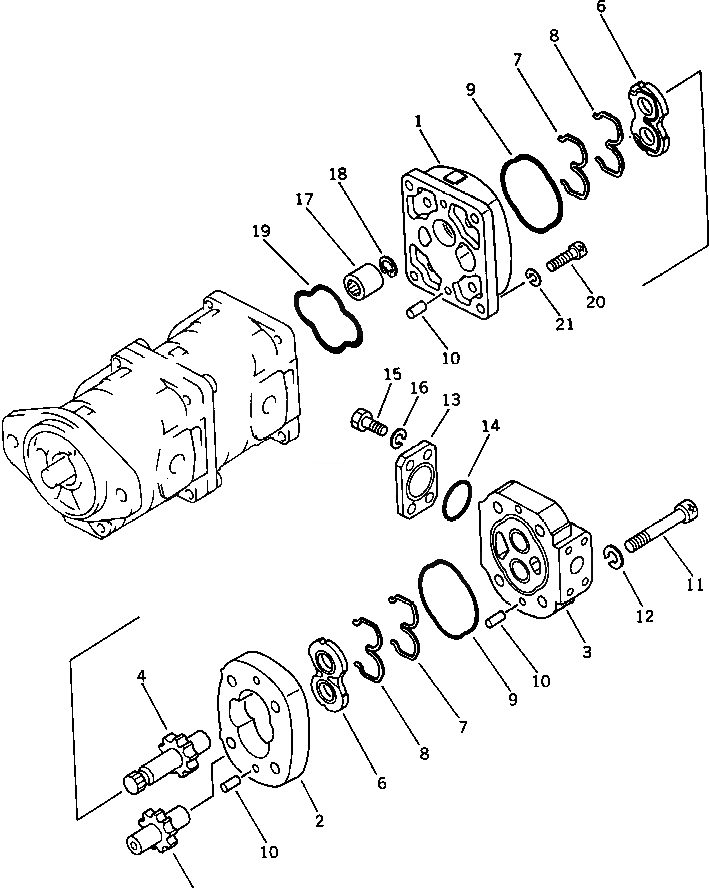
Запчасти Komatsu PC60-3 ГИДР. НАСОС. (/) (КРОМЕ ЯПОН.) УПРАВЛ-Е РАБОЧИМ ОБОРУДОВАНИЕМ

Схема запчастей Komatsu PC60-3 - ГИДР. НАСОС. (/) (КРОМЕ ЯПОН.) УПРАВЛ-Е РАБОЧИМ ОБОРУДОВАНИЕМ
FIT
1:1
100%

Артикул

Название

Примечание

Количество

|$0

705-56-24080

PUMP ASS'Y

|$1

705-14-28530

PUMP ASS'Y

1

705-17-02521

BRACKET ASS'Y

2

705-18-28010

CASE

3

705-17-02122

COVER ASS'Y

4

705-18-28450

GEAR

5

705-18-28511

GEAR

6

705-17-02612

PLATE

7

705-17-02440

RING

8

705-17-02472

RING

9

705-17-02381

O-RING

10

04020-01024

PIN

11

705-17-02730

BOLT

12

01602-21236

WASHER

13

705-17-02881

PLATE

14

07000-03038

O-RING

15

01010-51025

BOLT

16

01602-21030

WASHER

17

705-17-02310

COUPLING

18

04065-02012

RING

19

705-17-02480

O-RING

20

705-17-02374

BOLT

21

01602-21030

WASHER

Выбрано товаров: 0