Запчасти Komatsu PC60-5 ГИДР. НАСОС.¤ ЗАДН. (/) ГИДРАВЛИКА

Схема запчастей Komatsu PC60-5 - ГИДР. НАСОС.¤ ЗАДН. (/) ГИДРАВЛИКА
FIT
1:1
100%

Артикул

Название

Примечание

Количество

|1

708-21-01011

PUMP ASS'Y,(HPV 35+35)

|1

708-21-01010

PUMP ASS'Y,(HPV 35+35)

|1

708-21-10601

PUMP ASS'Y,(HPV 35+35)

|1

708-21-01110

PUMP SUB ASS'Y

|1

708-21-01210

PUMP SUB ASS'Y

|1

708-21-11100

PUMP SUB ASS'Y

|1

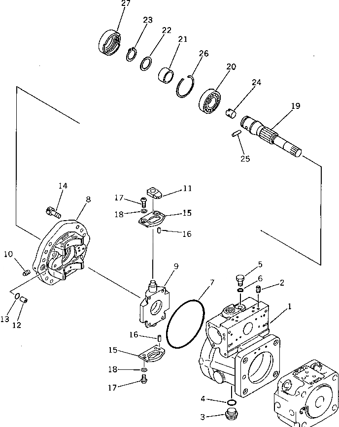
708-21-00020

CASE ASS'Y,REAR

1

CASE,REAR

2

PLUG

3

07044-12412

PLUG

4

07002-02434

O-RING

5

720-68-19870

PLUG

6

07002-01223

O-RING

7

07000-02145

O-RING

|8

708-21-00040

CRADLE ASS'Y,REAR

8

CRADLE,REAR

9

CAM,CAM

10

706-86-51180

PLUG

11

708-21-14220

SLIDER

12

708-21-12330

JOINT

13

07000-12012

O-RING

14

708-21-12380

BOLT

15

708-21-12340

PLATE

16

708-23-12370

PIN

17

708-21-12350

SCREW

18

708-21-12360

WASHER

19

708-21-12720

SHAFT

20

708-21-12751

BEARING

21

708-21-12670

COLLAR

22

708-21-05010

WASHER KIT

|22

WASHER

|22

WASHER

|22

WASHER

|22

WASHER

23

708-25-22830

RING,SNAP

24

708-21-12931

COUPLING

25

708-21-12940

PIN

26

708-21-12660

RING

27

708-21-12650

RETAINER

Выбрано товаров: 39