Запчасти Komatsu PC60-5 УПРАВЛЯЮЩ. КЛАПАН¤ ПРАВ. (/) ГИДРАВЛИКА

Схема запчастей Komatsu PC60-5 - УПРАВЛЯЮЩ. КЛАПАН¤ ПРАВ. (/) ГИДРАВЛИКА
FIT
1:1
100%

Артикул

Название

Примечание

Количество

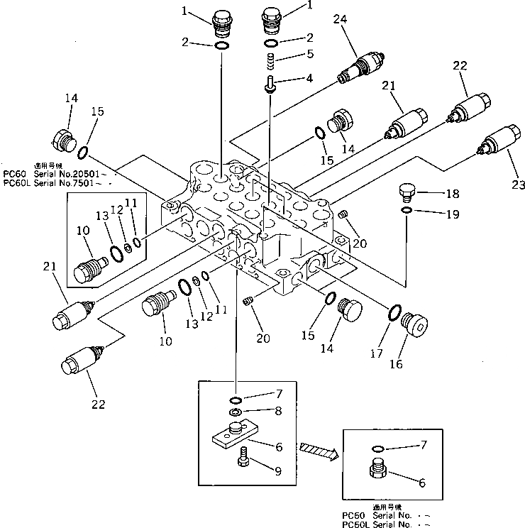
|1

709-25-11403

VALVE ASS'Y,R.H.

|1

709-25-11402

VALVE ASS'Y,R.H.

1

709-25-11612

PLUG

2

07000-12020

O-RING

4

709-25-11350

VALVE,CHECK

5

709-25-11361

SPRING

6

701-30-63130

PLUG

|6

709-25-11471

PLATE

7

07002-12034

O-RING

|7

700-22-11410

O-RING

8

700-80-64220

RING,BACK-UP

9

01010-50820

BOLT

10

709-25-11380

PLUG

|10

709-25-11380

PLUG

11

07000-12010

O-RING

|11

07000-12010

O-RING

12

07001-02010

RING,BACK-UP

|12

07001-02010

RING,BACK-UP

13

709-25-11390

O-RING

|13

709-25-11390

O-RING

14

701-30-63130

PLUG

15

07002-12034

O-RING

16

07040-13016

PLUG

17

07002-03034

O-RING

18

07040-11409

PLUG

19

07002-01423

O-RING

20

07043-70108

PLUG

21

709-20-61201

VALVE ASS'Y,SUCTION AND SAFETY

|21

709-20-61200

VALVE ASS'Y,SUCTION AND SAFETY

22

709-20-61102

VALVE ASS'Y,SUCTION AND SAFETY

|22

709-20-61101

VALVE ASS'Y,SUCTION AND SAFETY

23

709-20-61301

VALVE ASS'Y,SUCTION AND SAFETY

|23

709-20-61300

VALVE ASS'Y,SUCTION AND SAFETY

24

709-20-51103

VALVE ASS'Y,RELIEF

Выбрано товаров: 34