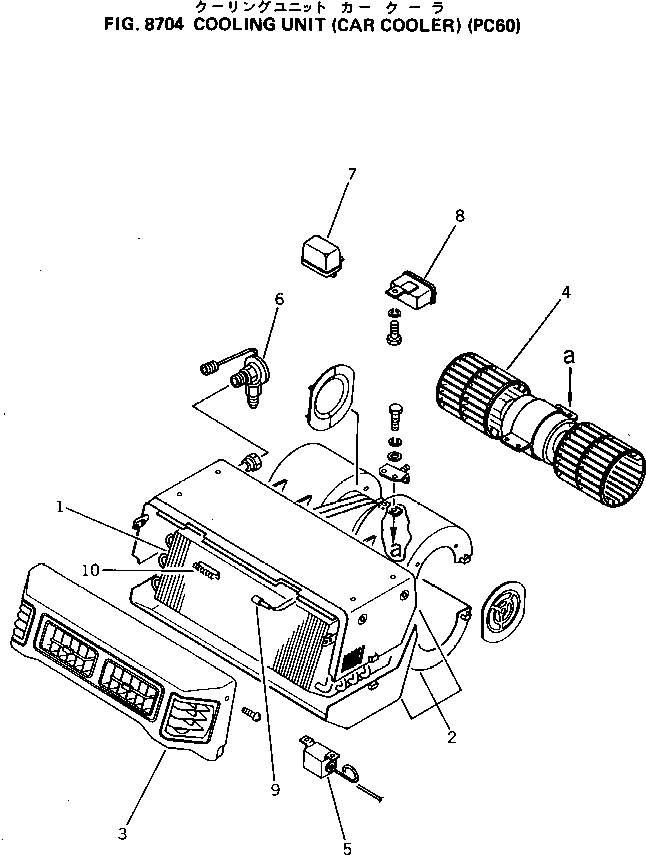
Запчасти Komatsu PC60-5 БЛОК ОХЛАЖДЕНИЯ (CAR ОХЛАДИТЕЛЬ) ОПЦИОННЫЕ КОМПОНЕНТЫ

Схема запчастей Komatsu PC60-5 - БЛОК ОХЛАЖДЕНИЯ (CAR ОХЛАДИТЕЛЬ) ОПЦИОННЫЕ КОМПОНЕНТЫ
FIT
1:1
100%

Артикул

Название

Примечание

Количество

|$0

205-981-5110

COOLING UNIT

1

205-978-6260

EVAPORATOR

2

205-978-6270

CASE ASS'Y

3

205-978-6280

GRILLE ASS'Y

4

205-978-6290

MOTOR,FAN

5

205-978-6310

THERMOSTAT

6

205-978-6320

VALVE,EXPANSION

7

205-978-6330

THERMOSTAT

8

205-978-6340

RELAY

9

205-978-6350

SENSOR

10

205-978-6360

RESISTOR

Выбрано товаров: 11