Запчасти Komatsu PC60-6 ТОПЛИВН. И ГИДР. БАК.(№8-) УПРАВЛ-Е РАБОЧИМ ОБОРУДОВАНИЕМ

Схема запчастей Komatsu PC60-6 - ТОПЛИВН. И ГИДР. БАК.(№8-) УПРАВЛ-Е РАБОЧИМ ОБОРУДОВАНИЕМ
FIT
1:1
100%

Артикул

Название

Примечание

Количество

|$0

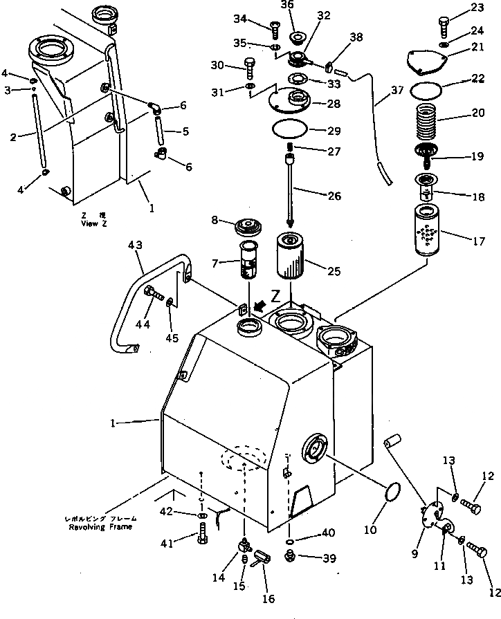
201-60-00150

TANK ASS'Y

1

TANK

2

201-60-62120

TUBE

3

201-04-21160

BALL,FLOAT

4

07281-00197

CLAMP

5

201-60-65240

TUBE

6

203-60-31100

ELBOW ASS'Y

7

07056-18416

STRAINER

8

20Y-04-11160

CAP

9

7861-92-4800

SENSOR,FUEL LEVEL

10

07000-02085

O-RING

11

08053-01512

CLIP

11

7821-92-5110

BRACKET

12

01010-51016

BOLT

13

01643-31032

WASHER

14

203-60-52240

ELBOW

15

07042-30108

PLUG

16

07700-40240

VALVE

17

154-60-12170

ELEMENT

18

201-60-62140

STRAINER

19

201-60-62130

VALVE ASS'Y

20

20X-60-22140

SPRING

21

201-60-62150

COVER

22

07000-02135

O-RING

23

01010-51025

BOLT

24

01643-31032

WASHER

25

201-60-65210

STRAINER

26

201-60-62160

ROD

27

12R-60-11230

SPRING

28

203-60-52131

COVER

29

07000-02135

O-RING

30

01010-51025

BOLT

31

01643-31032

WASHER

32

201-60-12171

FILLER NECK

33

205-60-51460

GASKET

34

01220-40516

SCREW

35

01601-20513

WASHER,SPRING

36

201-60-12190

CAP ASS'Y

37

07270-00895

TUBE

38

07280-01110

CLAMP

39

07044-12412

PLUG

40

07002-02434

O-RING

41

01010-51445

BOLT

42

01643-31445

WASHER

43

201-54-61711

GRIP

44

01010-51025

BOLT

45

01643-31032

WASHER

Выбрано товаров: 47