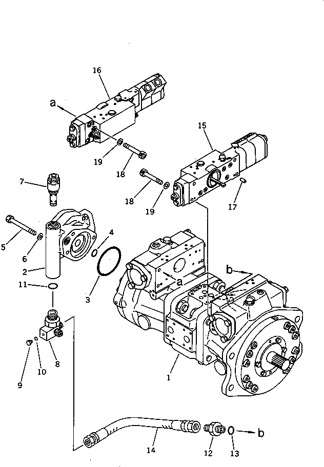
Запчасти Komatsu PC60-6 ГИДР. НАСОС. (БЛОК) (С ОТВАЛ) УПРАВЛ-Е РАБОЧИМ ОБОРУДОВАНИЕМ

Схема запчастей Komatsu PC60-6 - ГИДР. НАСОС. (БЛОК) (С ОТВАЛ) УПРАВЛ-Е РАБОЧИМ ОБОРУДОВАНИЕМ
FIT
1:1
100%

Артикул

Название

Примечание

Количество

|$0

708-21-04013

PUMP ASS'Y,(HPV35+35)

|$1

708-21-04012

PUMP ASS'Y,(HPV35+35)

|$2

708-21-04011

PUMP ASS'Y,(HPV35+35)

1

780-21-04113

PUMP SUB ASS'Y

1

780-21-04112

PUMP SUB ASS'Y

1

780-21-04111

PUMP SUB ASS'Y

2

704-24-24410

PUMP ASS'Y

3

07000-02085

O-RING

4

07000-02018

O-RING

5

01010-31085

BOLT

6

01643-31032

WASHER

7

708-23-04311

VALVE ASS'Y

8

708-23-19210

ELBOW

9

07040-11007

PLUG

10

07002-01023

O-RING

11

07002-02434

O-RING

12

07230-20315

UNION

13

07002-02034

O-RING

14

07102-20303

HOSE

15

708-21-09111

SERVO VALVE ASS'Y,FRONT

16

708-21-09211

SERVO VALVE ASS'Y,REAR

17

04020-00616

PIN,DOWEL

18

708-25-19130

BOLT

19

01602-00825

WASHER,SPRING

Выбрано товаров: 24