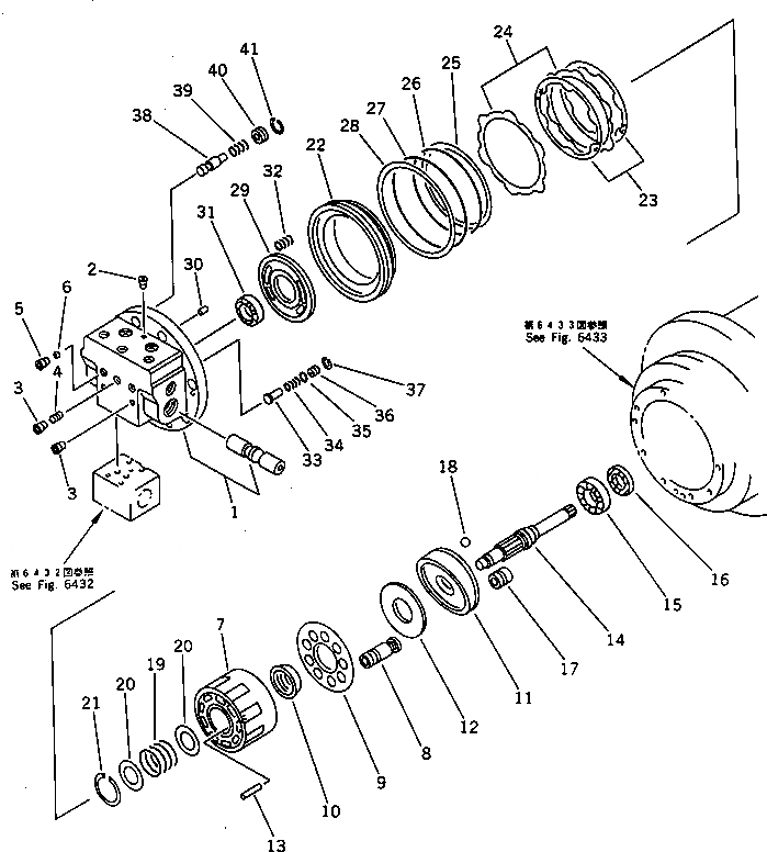
Запчасти Komatsu PC60-6 МОТОР ХОДА (/) УПРАВЛ-Е РАБОЧИМ ОБОРУДОВАНИЕМ

Схема запчастей Komatsu PC60-6 - МОТОР ХОДА (/) УПРАВЛ-Е РАБОЧИМ ОБОРУДОВАНИЕМ
FIT
1:1
100%

Артикул

Название

Примечание

Количество

|$0

201-60-61100

TRAVEL MOTOR ASS'Y

1

TZ910B210100-A

FLANGE KIT,REAR

2

TZMB700-060

PLUG

3

TZGM1-8

PLUG

4

TZ121F2070-00

ORIFICE

5

TZGM1-4

PLUG

6

04260-00793

BALL

7

TZ810B2004-00

BLOCK,CYLINDER

8

TZ810B2105-00

PISTON KIT (9PIS)

9

TZ810B2007-00

PLATE,RETAINER

10

TZ810B2008-00

BOWL,THRUST

11

TZ910B200300-L

PLATE,SWASH

12

TZ800B2032-00

PLATE,THRUST

13

TZJB150625-238

PIN

14

TZ910B2002-00

SHAFT

15

TZ880A2029-00

BEARING

16

TZ15Z-22-42-10

SEAL,OIL (K1)

17

TZ800B2070-01

PISTON ASS'Y

18

TZJB1501-22

BALL

19

TZ810B2014-00

SPRING

20

TZ880A2010-00

WASHER

21

TZIRTW-42

RING

22

TZ880A2012-00

PISTON

23

TZ800A2015-00

PLATE

24

TZ800A2016-00

PLATE

25

TZSUN-2WG28

RING,BACK-UP (K1)

26

TZJW1516-G28-9

O-RING (K1)

27

07000-12140

O-RING (K1)

28

TZSUN-2BG140

RING,BACK-UP (K1)

29

TZ860A2009-01

PLATE,TIMING

30

TZJB1354-4-10

PIN

31

06000-06203

BEARING

32

TZ880A2013-00

SPRING

33

TZ860A2019-00

VALVE

34

TZ860A2020-01

SPRING

35

07000-11009

O-RING (K1)

36

TZ860A2018-00

SEAT

37

TZ100A2022-00

RING

38

TZ200B2073-00

VALVE

39

TZ300B2043-01

SPRING

40

TZ300B2039-00

STOPPER

41

TZ300B2042-00

RING

Выбрано товаров: 42