Запчасти Komatsu PC60-6Z ЭЛЕКТРИКА (ЛИНИЯ ПАНЕЛИ ПРИБОРОВ)(№-) КОМПОНЕНТЫ ДВИГАТЕЛЯ И ЭЛЕКТРИКА

Схема запчастей Komatsu PC60-6Z - ЭЛЕКТРИКА (ЛИНИЯ ПАНЕЛИ ПРИБОРОВ)(№-) КОМПОНЕНТЫ ДВИГАТЕЛЯ И ЭЛЕКТРИКА
FIT
1:1
100%

Артикул

Название

Примечание

Количество

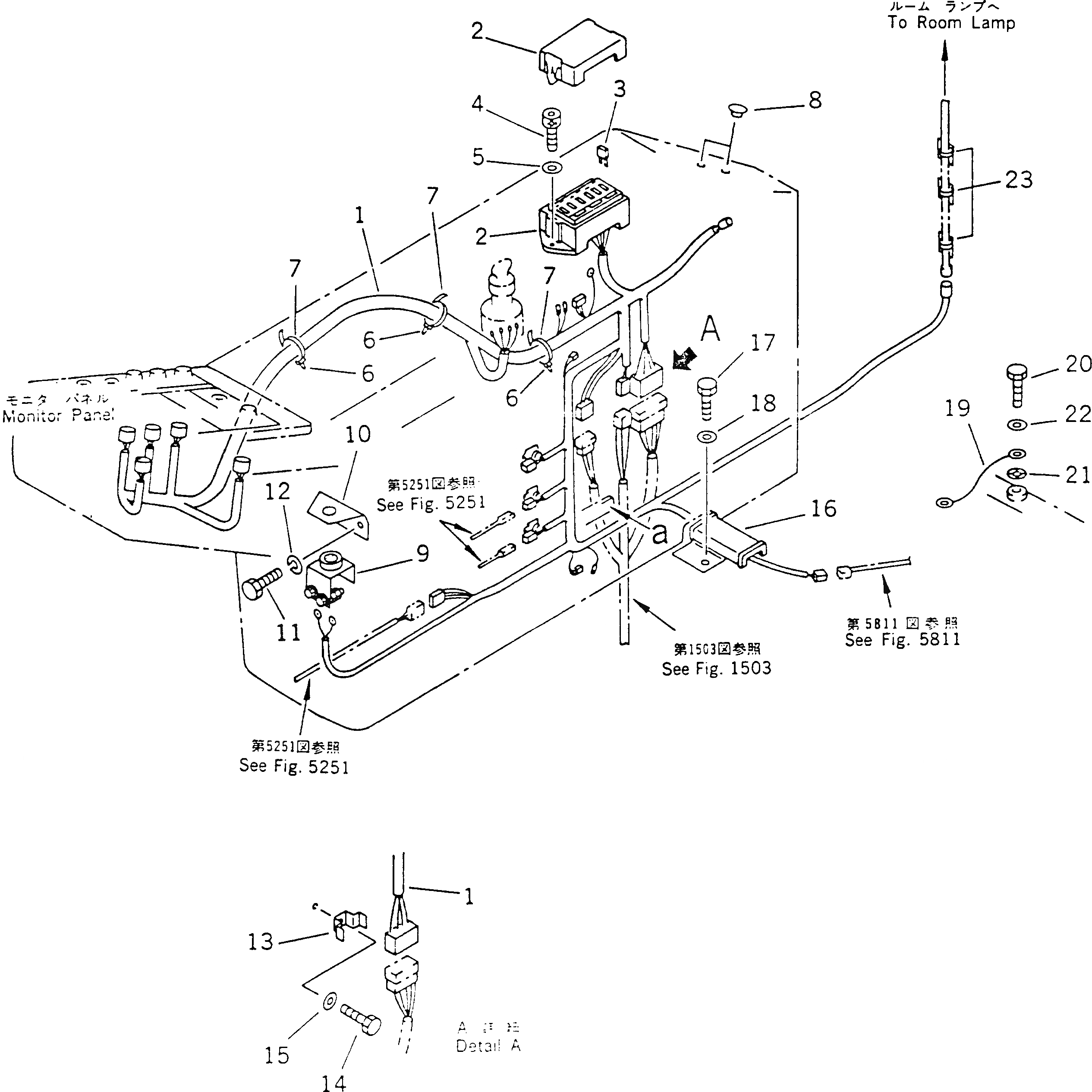
1

201-06-63260

WIRE ASS'Y

|1

22W-06-13590

DIODE

2

205-06-71480

FUSE BOX

3

22W-06-13150

FUSE¤ 5A

|3

283-06-16190

FUSE¤ 10A

|3

205-06-73180

FUSE¤ 15A

|3

201-06-61240

FUSE¤ 30A

4

01252-40612

BOLT

5

01641-20608

WASHER

6

203-06-56510

CLIP

7

08034-00414

BAND

8

203-06-56530

PLUG

9

600-815-1361

SIGNAL,GLOW

10

201-06-61340

BRACKET

11

01010-50616

BOLT

12

01602-20619

WASHER,SPRING

13

08053-16212

CLIP

14

01010-51016

BOLT

15

01643-31032

WASHER

16

201-06-62151

COVER

17

01010-51020

BOLT

18

01643-31032

WASHER

19

20Y-06-11940

WIRING HARNESS

20

01010-50816

BOLT

21

01605-10818

WASHER

22

01643-30823

WASHER

23

08051-00801

CLIP

Выбрано товаров: 27