Запчасти Komatsu PC60-6Z ГУСЕНИЧНАЯ РАМА (ДЛЯ РЕЗИН. SHOE СПЕЦ-Я.) ХОДОВАЯ

Схема запчастей Komatsu PC60-6Z - ГУСЕНИЧНАЯ РАМА (ДЛЯ РЕЗИН. SHOE СПЕЦ-Я.) ХОДОВАЯ
FIT
1:1
100%

Артикул

Название

Примечание

Количество

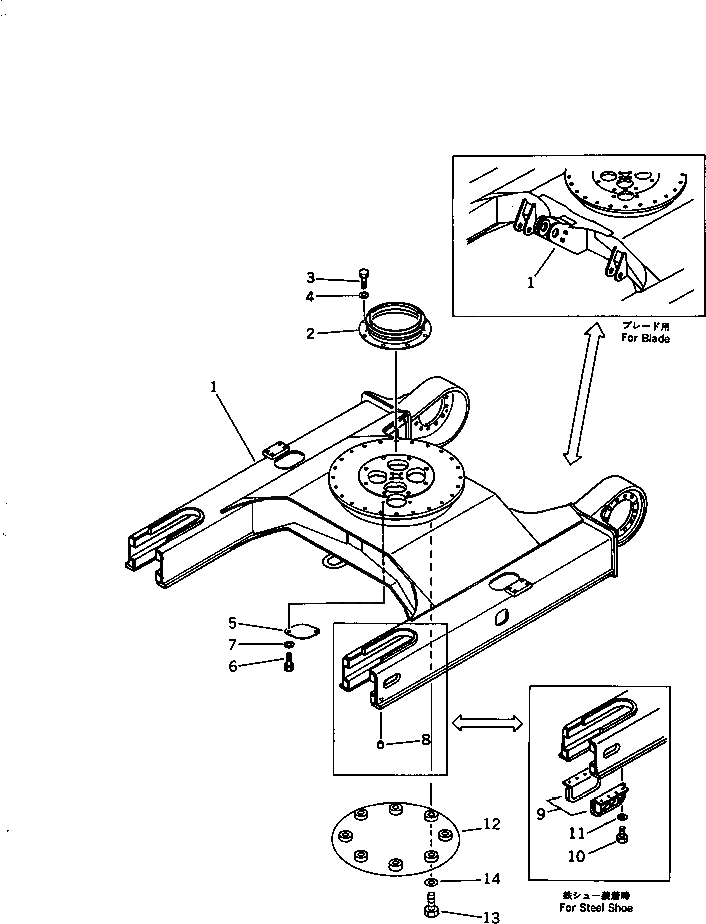
1

201-30-65120

FRAME,TRACK

|1

201-30-65150

FRAME,TRACK (WITH UNDER COVER)

|1

201-30-66110

FRAME,TRACK (FOR BLADE SPEC.)

|1

201-30-66120

FRAME,TRACK(U/COVER FOR BLADE SPEC.)

2

20X-30-21131

COVER

|2

20X-30-21141

SEAL

3

01010-51225

BOLT

4

01643-31232

WASHER

5

201-30-61270

COVER

6

01010-51225

BOLT

7

01643-31232

WASHER

8

07049-01418

PLUG

9

201-30-65130

GUARD,(FOR STEEL SHOE)

10

01010-51430

BOLT,(FOR STEEL SHOE)

11

01643-31445

WASHER,(FOR STEEL SHOE)

12

201-30-51310

COVER,UNDER

13

01010-51225

BOLT

14

01643-31232

WASHER

Выбрано товаров: 18