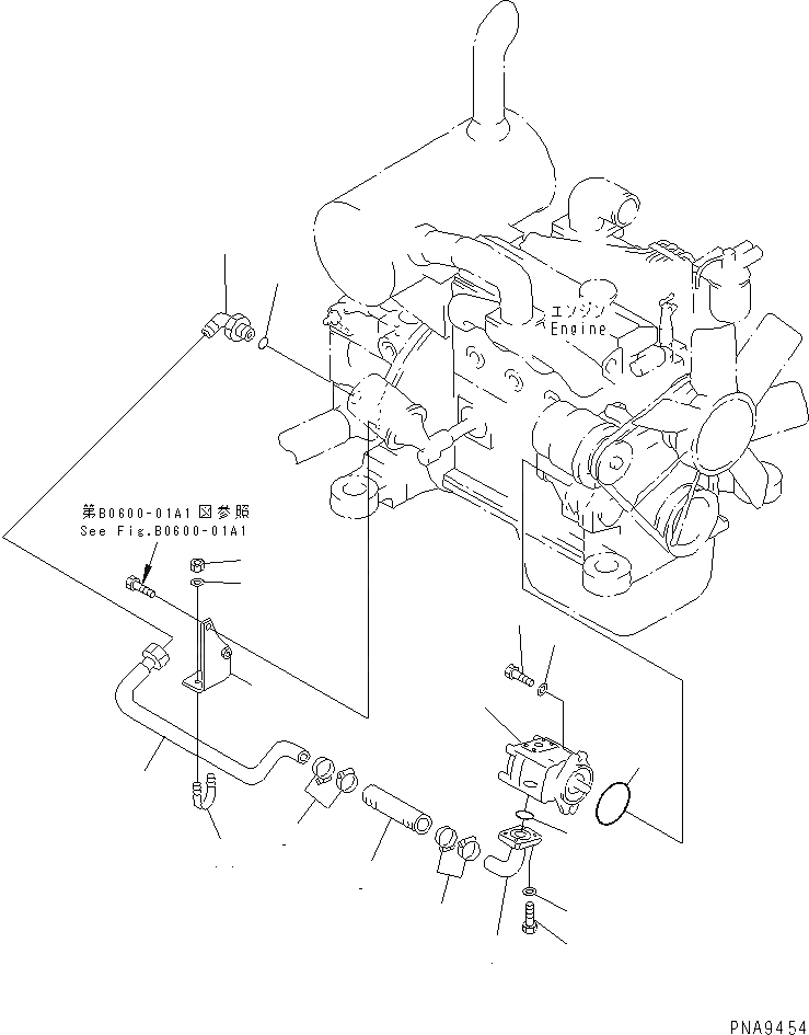
Запчасти Komatsu PC60-7-B ОТВАЛ ЛИНИЯ (ВЕРХН.) (ЛИНИЯ НАСОСА)(№-7) ГИДРАВЛИКА

Схема запчастей Komatsu PC60-7-B - ОТВАЛ ЛИНИЯ (ВЕРХН.) (ЛИНИЯ НАСОСА)(№-7) ГИДРАВЛИКА
1
2
3
4
5
6
7
8
9
9
10
11
12
13
14
15
16
17
FIT
1:1
100%

Артикул

Название

Примечание

Количество

1

201-910-7211

TUBE

|1

201-910-7210

TUBE

2

07235-10628

ELBOW

3

07002-02434

O-RING

4

201-910-7221

TUBE

|4

201-910-7220

TUBE

5

07000-03032

O-RING

6

01010-51030

BOLT

7

01643-31032

WASHER

8

07260-02620

HOSE

9

07281-00489

CLAMP

10

201-910-7440

BRACKET

11

07283-22738

CLIP

12

01599-01011

NUT

13

01643-31032

WASHER

14

705-40-01020

PUMP ASS'Y,(SEE FIG.Y1600-11A0 OR 11A2)

15

07000-02085

O-RING

16

01010-51030

BOLT

17

01643-31032

WASHER

Выбрано товаров: 19