Запчасти Komatsu PC60-7-B КОНДИЦ. ВОЗДУХА (ШЛАНГИ ОХЛАДИТЕЛЯ)(№-) КАБИНА ОПЕРАТОРА И СИСТЕМА УПРАВЛЕНИЯ

Схема запчастей Komatsu PC60-7-B - КОНДИЦ. ВОЗДУХА (ШЛАНГИ ОХЛАДИТЕЛЯ)(№-) КАБИНА ОПЕРАТОРА И СИСТЕМА УПРАВЛЕНИЯ
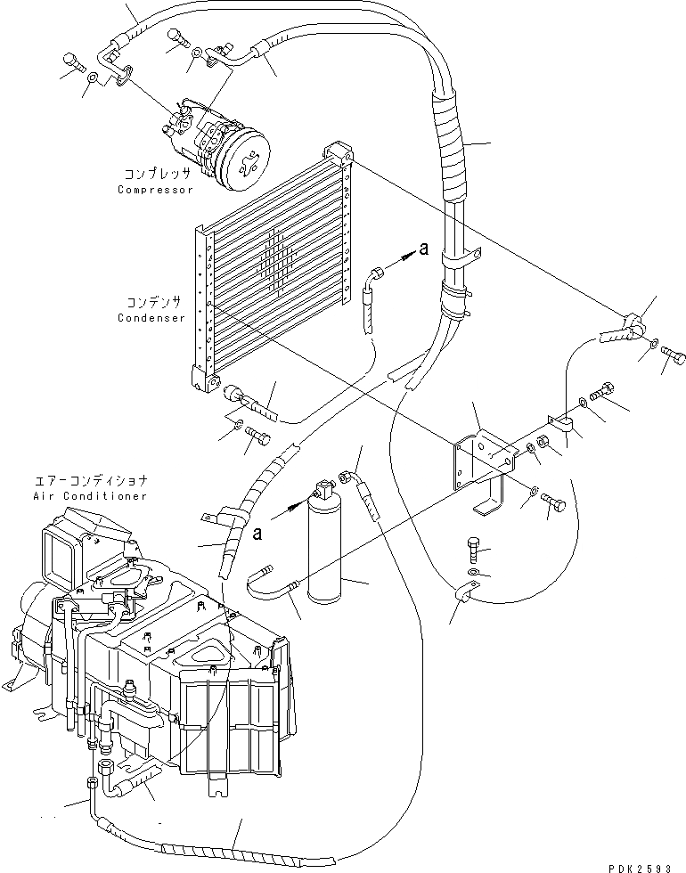
1
2
3
4
5
6
7
8
8
9
9
10
11
11
12
12
13
13
14
14
15
15
16
16
17
17
18
18
19
20
20
FIT
1:1
100%

Артикул

Название

Примечание

Количество

1

203-979-6610

RECEIVER DRYER

2

201-979-8170

BRACKET

3

01010-81030

BOLT

4

01643-31032

WASHER

5

07283-27060

CLIP

6

01597-01009

NUT

7

01643-31032

WASHER

8

201-979-8112

HOSE

|8

201-979-8110

HOSE

9

201-979-7542

HOSE

|9

201-979-7740

HOSE

10

201-979-8130

HOSE

11

201-979-8140

HOSE

12

01010-80616

BOLT

13

01643-30623

WASHER

14

01010-80830

BOLT

15

01643-30823

WASHER

16

04434-51910

CLIP

17

01010-81020

BOLT

18

01643-31032

WASHER

19

08210-01803

SPIRAL TUBE

20

203-62-32440

COVER

Выбрано товаров: 22