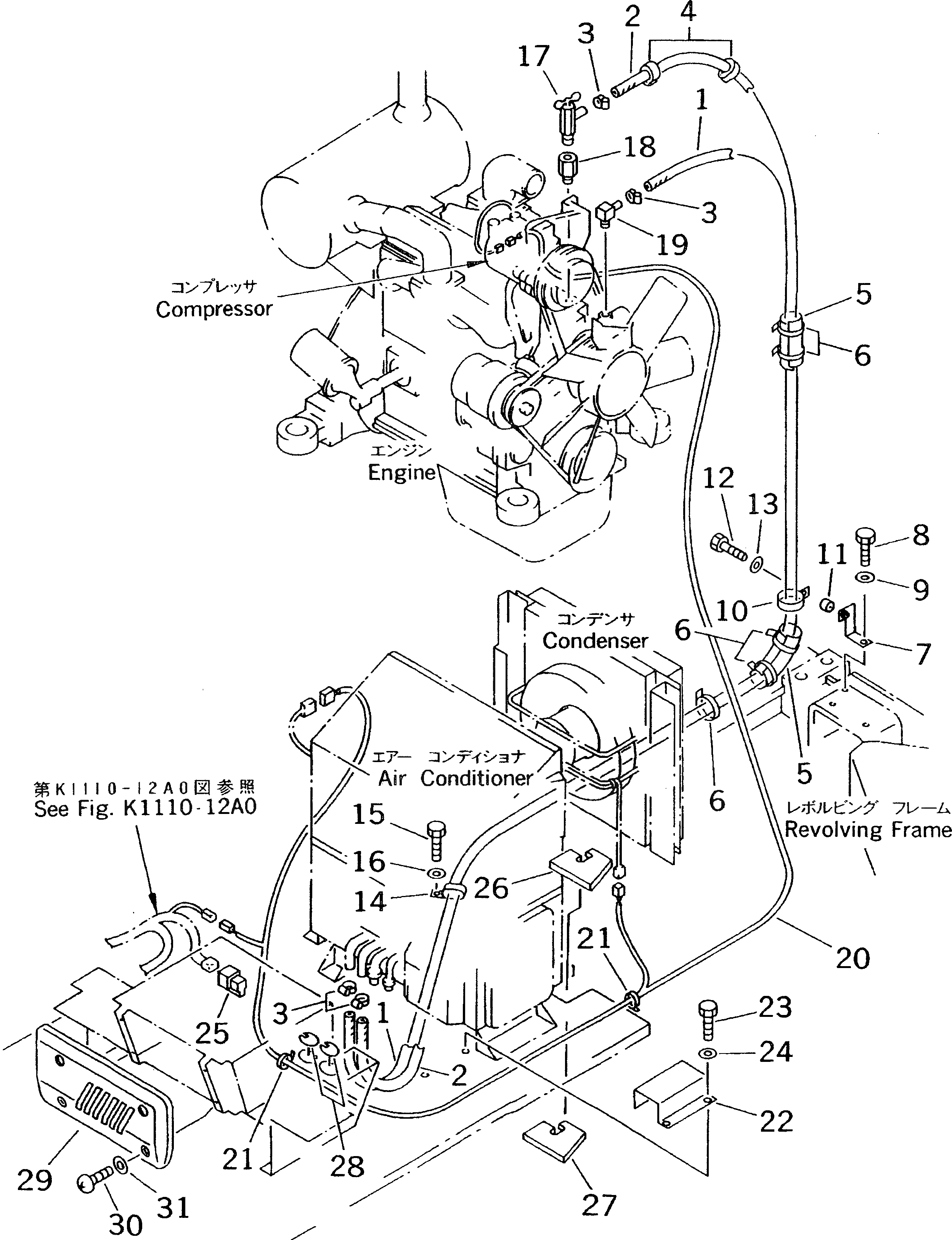
Запчасти Komatsu PC60-7-B КОНДИЦ. ВОЗДУХА (ШЛАНГИ ОБОГРЕВАТЕЛЯ)(№-7) КАБИНА ОПЕРАТОРА И СИСТЕМА УПРАВЛЕНИЯ

Схема запчастей Komatsu PC60-7-B - КОНДИЦ. ВОЗДУХА (ШЛАНГИ ОБОГРЕВАТЕЛЯ)(№-7) КАБИНА ОПЕРАТОРА И СИСТЕМА УПРАВЛЕНИЯ
FIT
1:1
100%

Артикул

Название

Примечание

Количество

1

09483-00422

HOSE

2

09483-00424

HOSE

3

09480-10100

CLAMP

4

202-98-11360

BUSHING

5

201-03-51320

SEAT

6

08034-00536

BAND

7

201-977-7111

BRACKET

8

01010-51025

BOLT

9

01643-31032

WASHER

10

21K-62-21660

CLIP

11

362-60-12210

SPACER

12

01010-51030

BOLT

13

01643-31032

WASHER

14

582-35-11170

CLIP

|14

141-06-11220

CLIP

15

01010-51025

BOLT

16

01643-31032

WASHER

17

09482-50000

VALVE

|17

203-977-4130

VALVE

18

21W-977-1120

NIPPLE

19

20S-977-1170

ELBOW

20

201-979-7711

WIRING HARNESS

21

08034-00519

BAND

22

201-06-71570

COVER

23

01010-51020

BOLT

24

01643-31032

WASHER

25

08027-10310

CONNECTOR

26

201-979-7280

SHEET

27

201-979-7290

SHEET

28

09415-02520

CAP

29

20U-54-28280

COVER

|29

201-54-73480

COVER

30

01220-70820

SCREW

31

01643-80823

WASHER

Выбрано товаров: 34