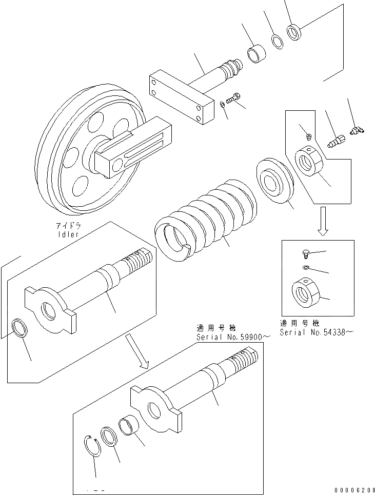
Запчасти Komatsu PC60-7-B ОПОРНЫЙ ЭЛЕМЕНТ ЛЕНИВЦА(№7-) ХОДОВАЯ

Схема запчастей Komatsu PC60-7-B - ОПОРНЫЙ ЭЛЕМЕНТ ЛЕНИВЦА(№7-) ХОДОВАЯ
1
1
2
3
3
3A
4
4
5
6
7
8
9
10
11
11
12
12A
12B
13
14
FIT
1:1
100%

Артикул

Название

Примечание

Количество

1

201-30-75320

CYLINDER

|1

201-30-75111

CYLINDER

|1

201-30-75110

CYLINDER

2

201-30-75141

COLLAR

|2

201-30-75140

COLLAR

3

21W-30-32620

NUT

|3

201-30-75160

NUT

3A

01643-31032

WASHER

4

21W-30-32610

BOLT

|4

20T-30-82150

PLUG

5

21W-30-41170

SPRING

|5

201-30-62312

SPRING,RECOIL

|5

201-30-62311

SPRING,RECOIL

|5

201-30-62310

SPRING,RECOIL

6

20M-30-31240

VALVE

7

07020-00900

FITTING,GREASE

8

07155-00515

RING,WEAR

9

09370-00050

U-PACKING

10

04064-03515

RING,SNAP

11

707-56-50540

SEAL

|11

113-30-24240

SEAL,DUST

|11

07000-03050

O-RING,DUST

12

201-30-75310

ROD

|12

201-30-75132

YOKE

12A

07177-05030

BUSHING

12B

201-30-71310

RING

13

01010-81475

BOLT

14

01643-31445

WASHER

Выбрано товаров: 0