Запчасти Komatsu PC60-7 ОБОГРЕВАТЕЛЬ. (ЗАДН. ЧАСТЬ КОРПУСА СИДЕНЬЯ) (ДЛЯ CHINA)(№99-) КАБИНА ОПЕРАТОРА И СИСТЕМА УПРАВЛЕНИЯ

Схема запчастей Komatsu PC60-7 - ОБОГРЕВАТЕЛЬ. (ЗАДН. ЧАСТЬ КОРПУСА СИДЕНЬЯ) (ДЛЯ CHINA)(№99-) КАБИНА ОПЕРАТОРА И СИСТЕМА УПРАВЛЕНИЯ
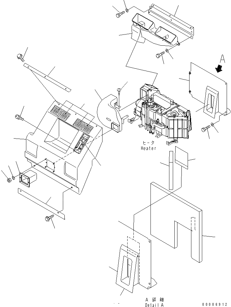
1
2
3
4
4
5
6
7
8
9
10
11
12
13
14
15
16
17
18
19
19
20
21
22
23
24
FIT
1:1
100%

Артикул

Название

Примечание

Количество

1

201-979-7910

BRACKET

2

201-979-7920

BRACKET

3

201-979-7940

BRACKET

4

01435-30820

BOLT

5

01643-31032

WASHER

6

01010-81025

BOLT

7

201-979-7860

DUCT

8

201-979-7870

DUCT

9

201-979-7880

DUCT

10

01010-81030

BOLT

11

01643-31032

WASHER

12

01370-00512

SCREW

13

01580-10806

NUT

14

01643-30823

WASHER

15

201-979-7850

DUCT

16

201-979-7690

CONTROL PANEL ASS'Y

17

01023-70512

SCREW

18

201-979-7820

GRILLE

19

201-54-75870

COVER ASS'Y

19

COVER

20

201-54-75820

SHEET

21

201-54-75830

SHEET

22

201-54-75840

SHEET

23

01010-81025

BOLT

24

01643-31032

WASHER

Выбрано товаров: 25