Запчасти Komatsu PC60-7 ОБОГРЕВАТЕЛЬ. (ШЛАНГИ ОБОГРЕВАТЕЛЯ) (ДЛЯ CHINA)(№99-) КАБИНА ОПЕРАТОРА И СИСТЕМА УПРАВЛЕНИЯ

Схема запчастей Komatsu PC60-7 - ОБОГРЕВАТЕЛЬ. (ШЛАНГИ ОБОГРЕВАТЕЛЯ) (ДЛЯ CHINA)(№99-) КАБИНА ОПЕРАТОРА И СИСТЕМА УПРАВЛЕНИЯ
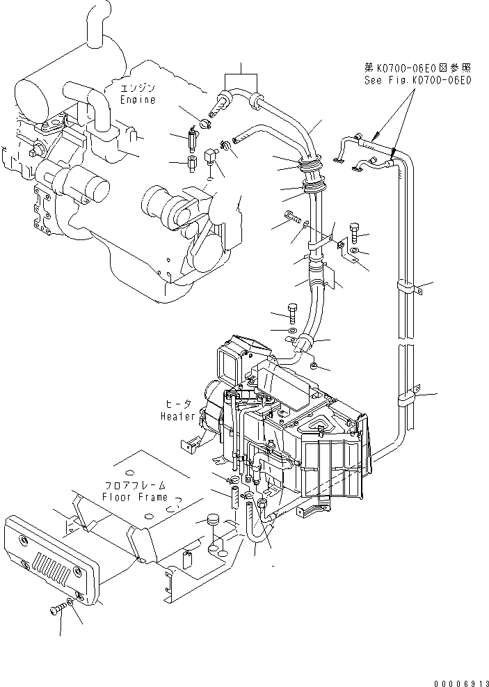
1
1
2
3
3
3
3
4
5
6
7
8
9
10
11
12
13
14
15
16
17
18
19
20
20
21
21
21
22
22
23
24
25
26
FIT
1:1
100%

Артикул

Название

Примечание

Количество

1

201-979-8510

HOSE ASS'Y

2

201-979-8350

HOSE ASS'Y

3

11Y-09-11160

CLIP

4

202-98-11360

BUSHING

5

201-03-51320

SEAT

6

08034-00536

BAND

7

201-977-7111

BRACKET

8

01010-81025

BOLT

9

01643-31032

WASHER

10

21K-62-21660

CLIP

11

362-60-12210

SPACER

12

01010-81030

BOLT

13

01643-31032

WASHER

14

582-35-11170

CLIP

14

04435-52112

CLIP

15

01010-81025

BOLT

16

01643-31032

WASHER

17

09482-50000

VALVE

18

21W-977-1120

NIPPLE

19

20S-977-1170

ELBOW

20

201-977-7250

CLAMP

21

08034-20536

BAND

22

582-35-11170

CLIP

23

09415-02520

CAP

24

20U-54-28280

COVER

25

01220-70820

SCREW

26

01643-80823

WASHER

Выбрано товаров: 27