Запчасти Komatsu PC60-7 КОНДИЦ. ВОЗДУХА (ШЛАНГИ ОХЛАДИТЕЛЯ)(№-) КАБИНА ОПЕРАТОРА И СИСТЕМА УПРАВЛЕНИЯ

Схема запчастей Komatsu PC60-7 - КОНДИЦ. ВОЗДУХА (ШЛАНГИ ОХЛАДИТЕЛЯ)(№-) КАБИНА ОПЕРАТОРА И СИСТЕМА УПРАВЛЕНИЯ
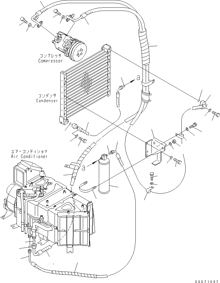
1
2
3
4
5
6
7
8
8
9
10
10
11
12
13
14
15
15
16
16
17
17
18
18
19
19
20
20
21
21
22
22
23
23
24
25
25
FIT
1:1
100%

Артикул

Название

Примечание

Количество

1

203-979-6610

RECEIVER DRYER

2

201-979-8170

BRACKET

3

01010-81030

BOLT

4

01643-31032

WASHER

5

07283-27060

CLIP

6

01597-01009

NUT

7

01643-31032

WASHER

8

201-979-8112

HOSE

8

201-979-8110

HOSE, 2950MM

8

08017-31926

CONDUIT

9

203-979-6420

O-RING

10

201-979-7542

HOSE, 2295MM

10

201-979-7740

HOSE

10

08017-32221

CONDUIT

11

203-979-6420

O-RING

12

201-979-8130

HOSE, 550MM

13

203-979-6390

O-RING

14

203-979-6420

O-RING

15

201-979-8140

HOSE

16

203-979-6390

O-RING

17

01010-80616

BOLT

18

01643-30623

WASHER

19

01010-80830

BOLT

20

01643-30823

WASHER

21

04434-52510

CLIP

21

04434-51910

CLIP

22

01010-81020

BOLT

23

01643-31032

WASHER

24

08210-01803

SPIRAL TUBE

25

203-62-32440

COVER

Выбрано товаров: 30