Запчасти Komatsu PC60-7 ОСНОВН. КЛАПАН (-КЛАПАН) (/)(№7-) ОСНОВН. КОМПОНЕНТЫ И РЕМКОМПЛЕКТЫ

Схема запчастей Komatsu PC60-7 - ОСНОВН. КЛАПАН (-КЛАПАН) (/)(№7-) ОСНОВН. КОМПОНЕНТЫ И РЕМКОМПЛЕКТЫ
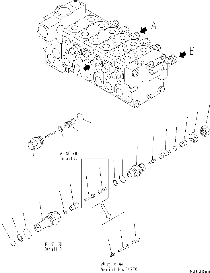
1
2
3
4
5
6
7
8
8A
9
9
10
11
12
13
14
15
16
17
18
19
20
21
21
22
FIT
1:1
100%

Артикул

Название

Примечание

Количество

|$5

723-26-13101

VALVE ASS'Y

|$6

723-26-13100

VALVE ASS'Y

|$7

723-26-12102

VALVE ASS'Y

|$8

723-26-12101

VALVE ASS'Y

|$9

723-26-12100

VALVE ASS'Y

|$11

723-20-80100

VALVE ASS'Y,SUCTION

1

SLEEVE

2

VALVE

3

SPRING

4

SEAL

5

07002-12034

O-RING

|$17

723-20-61101

VALVE ASS'Y,RELIEF

|$18

723-20-61100

VALVE ASS'Y,RELIEF

6

SLEEVE

7

PLUG

7

PLUG

8

POPPET

8A

SEAT

9

PISTON

9

PISTON

10

POPPET

10

POPPET

11

SPACER

12

NUT

13

NUT

14

700-22-11410

O-RING

15

700-80-64220

RING

16

07002-12434

O-RING

16

07002-02434

O-RING

17

O-RING

17

O-RING

18

O-RING

18

O-RING

19

SEAL

20

SEAL

21

SPRING

21

SPRING

22

SPRING

Выбрано товаров: 38