Запчасти Komatsu PC60-7S РУКОЯТЬ (УСИЛ. ТИП) РАБОЧЕЕ ОБОРУДОВАНИЕ

Схема запчастей Komatsu PC60-7S - РУКОЯТЬ (УСИЛ. ТИП) РАБОЧЕЕ ОБОРУДОВАНИЕ
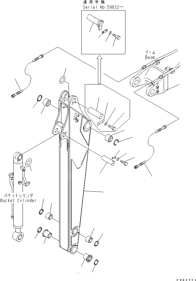
1
2
2
3
3
4
4
5
5
6
6
7
7
8
8
9
9
10
11
12
13
14
15
16
16
17
17
17
17
FIT
1:1
100%

Артикул

Название

Примечание

Количество

|1

201-70-00791

ARM A.

|1

201-70-00790

ARM ASS'Y

|1

201-70-00741

ARM ASS'Y

|1

201-70-00740

ARM ASS'Y

|1

201-70-00721

ARM ASS'Y

|1

201-70-00720

ARM ASS'Y

1

ARM

|1

ARM

|1

ARM

|1

ARM

|1

ARM

|1

ARM

2

201-70-72220

BUSHING

3

20X-70-22140

BUSHING

4

201-70-22141

BUSHING

|4

201-70-72210

BUSHING

5

201-62-71440

HOSE

6

21W-70-44320

PIN

|6

201-70-72230

PIN

7

205-70-66580

PLATE

|7

04082-00212

LOCK

8

01010-81230

BOLT

9

01643-31232

WASHER

10

21Y-70-14770

SPACER¤ 1.0MM

|10

203-70-24150

SPACER¤ 1.0MM

11

201-70-72241

PIN

12

04082-00212

LOCK

13

01010-81230

BOLT

14

01643-31232

WASHER

15

201-70-22150

SPACER¤ 1.0MM

16

07145-00060

SEAL,DUST

17

130-09-12931

SEAL,DUST

Выбрано товаров: 32