Запчасти Komatsu PC600-6 СОЛЕНОИДНЫЙ КЛАПАН (СОЛЕНОИД И EPC VALEVE)(№-999) ГИДРАВЛИКА

Схема запчастей Komatsu PC600-6 - СОЛЕНОИДНЫЙ КЛАПАН (СОЛЕНОИД И EPC VALEVE)(№-999) ГИДРАВЛИКА
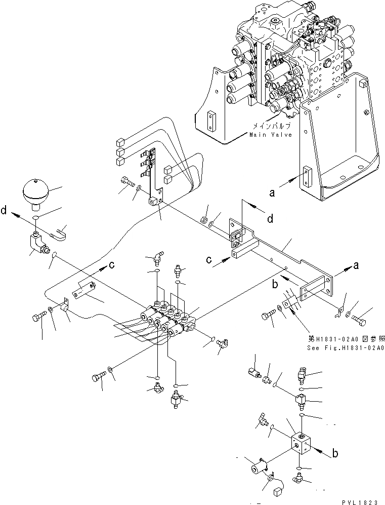
1
2
3
4
5
6
7
8
9
10
11
12
13
13
14
14
15
16
17
18
19
20
21
22
23
24
25
26
27
28
29
30
31
32
33
34
35
36
37
38
39
40
41
42
42
43
44
45
FIT
1:1
100%

Артикул

Название

Примечание

Количество

1

21M-62-16331

BRACKET

2

01010-81230

BOLT

3

01643-31232

WASHER

4

21M-62-16381

BRACKET

5

01010-81230

BOLT

6

01643-31232

WASHER

|7

21M-60-11500

SOLENOID ASS'Y

7

BLOCK

8

206-60-51131

SOLENOID VALVE

9

01010-80825

BOLT

10

01643-30823

WASHER

11

08053-01510

CLIP

12

08034-00519

BAND

13

07235-10311

ELBOW

14

07002-11423

O-RING

15

21T-62-29960

TEE

16

07002-11423

O-RING

17

207-62-61680

TEE

18

07002-11423

O-RING

19

421-35-11671

ADAPTER

20

07002-11423

O-RING

21

206-06-61130

SWITCH

|22

206-60-51101

VALVE ASS'Y

22

206-60-51131

SOLENOID VALVE

23

BLOCK

24

01010-81095

BOLT

25

01643-31032

WASHER

26

207-977-5120

BRACKET

27

04434-51512

CLIP

28

01010-81225

BOLT

29

01643-31232

WASHER

30

205-62-55270

NIPPLE

31

07002-11423

O-RING

32

07235-10311

ELBOW

33

07002-11423

O-RING

34

07235-10315

ELBOW

35

07002-12034

O-RING

36

20Y-62-22330

ELBOW

37

07002-12034

O-RING

38

209-62-57210

TEE

39

07002-12034

O-RING

40

20Y-60-11430

ACCUMULATOR

41

203-62-65281

ELBOW

42

07002-12034

O-RING

43

07283-33450

CLIP

44

01597-01009

NUT

45

01643-31032

WASHER

Выбрано товаров: 47