Запчасти Komatsu PC600-6A-KJ ОСНОВН. НАСОС (8/) (NO. НАСОС) ОСНОВН. КОМПОНЕНТЫ И РЕМКОМПЛЕКТЫ

Схема запчастей Komatsu PC600-6A-KJ - ОСНОВН. НАСОС (8/) (NO. НАСОС) ОСНОВН. КОМПОНЕНТЫ И РЕМКОМПЛЕКТЫ
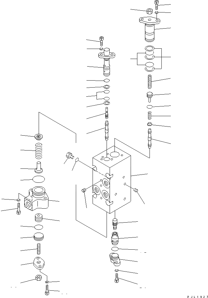
1
2
2
3
4
5
6
7
8
8
9
10
11
12
13
14
15
16
17
18
19
20
21
22
23
24
25
26
27
28
28
29
29
30
31
32
32
33
34
35
35
36
36
37
38
39
40
FIT
1:1
100%

Артикул

Название

Примечание

Количество

|1

708-2L-00710

PUMP ASS'Y

|1

708-2L-00731

PUMP ASS'Y

|1

708-25-08150

SERVO VALVE ASS'Y,FRONT

|1

708-25-08550

VALVE ASS'Y,CO + NC

|1

708-23-00430

BODY ASS'Y

1

BODY

2

EXPANDER

3

708-25-17460

PLUG

4

708-25-17430

SCREW

5

07000-12010

O-RING

6

708-25-17131

COVER

7

01580-10806

NUT

8

708-25-17141

SPOOL

9

708-25-17150

SLEEVE

10

708-25-17160

PISTON

11

708-25-17170

COVER

12

07000-12014

O-RING

13

708-25-17180

SEAT

14

708-25-17690

SPRING

15

708-25-17220

PISTON

16

708-25-17370

SEAT

17

708-25-17250

SPRING

18

708-25-17470

SEAT

19

708-23-17290

COVER

20

07000-13028

O-RING

21

708-25-17380

PLUG

22

708-25-15340

SCREW

23

07000-12021

O-RING

24

708-23-17240

COVER

25

708-25-17480

PISTON

26

01252-60630

BOLT

27

01602-20619

WASHER

28

01252-60616

BOLT

29

01602-20619

WASHER

30

01580-10806

NUT

31

07000-12012

O-RING

32

07001-02012

RING,BACK-UP

33

708-25-17451

SLEEVE

34

07000-12012

O-RING

35

01252-60616

BOLT

36

01602-20619

WASHER

37

07000-12021

O-RING

38

07001-02021

RING,BACK-UP

39

07040-11007

PLUG

40

07002-11023

O-RING

Выбрано товаров: 0