Запчасти Komatsu PC600-6A-KJ КЛАПАН ПЕРЕГРУЗКИ (ШАССИ) (ДЛЯ ЦИЛИНДРА СТРЕЛЫ) ГИДРАВЛИКА

Схема запчастей Komatsu PC600-6A-KJ - КЛАПАН ПЕРЕГРУЗКИ (ШАССИ) (ДЛЯ ЦИЛИНДРА СТРЕЛЫ) ГИДРАВЛИКА
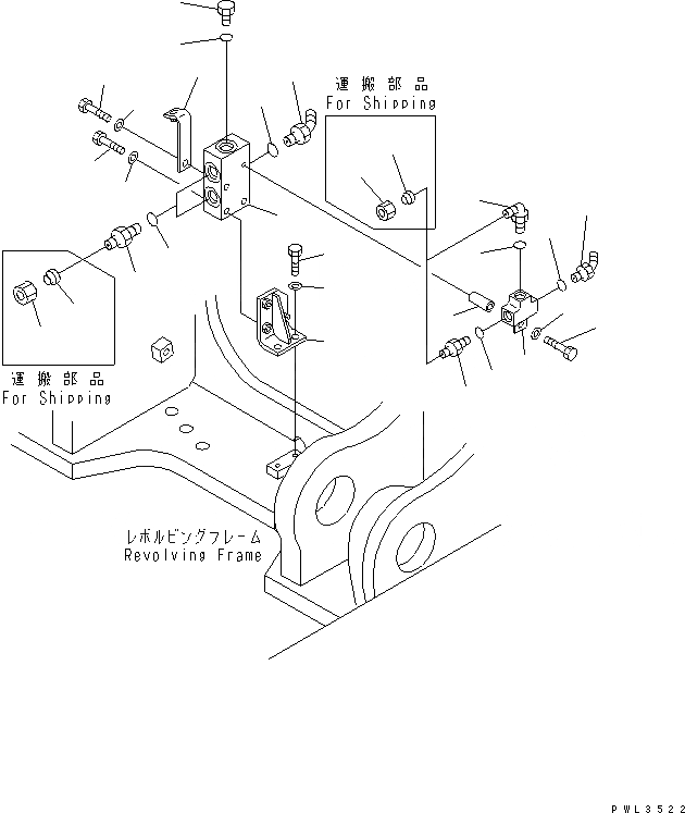
1
2
3
4
5
6
7
8
9
10
11
12
13
14
15
16
17
18
18
19
20
21
22
23
24
25
26
27
28
FIT
1:1
100%

Артикул

Название

Примечание

Количество

1

07236-10315

ELBOW

2

07002-12034

O-RING

3

20Y-62-19330

TEE

4

01010-81275

BOLT

5

01643-31232

WASHER

6

195-979-5190

COLLAR

7

07235-10315

ELBOW

8

07002-12034

O-RING

9

07230-20315

UNION

10

07002-12034

O-RING

11

07236-10628

ELBOW

12

07002-12434

O-RING

13

207-62-63230

BLOCK

14

07230-20522

UNION

15

07002-12434

O-RING

16

01010-81275

BOLT

17

01010-81280

BOLT

18

01643-31232

WASHER

19

21M-62-18510

BRACKET

20

21M-62-18340

BRACKET

21

01010-81230

BOLT

22

01643-31232

WASHER

23

07221-20315

NUT

24

07221-20522

NUT

25

07222-00312

PLUG

26

07222-00515

PLUG

27

206-62-43550

PLUG

28

07002-12434

O-RING

Выбрано товаров: 28