Запчасти Komatsu PC600-6A ДОПОЛН. РАБОЧ. ОСВЕЩЕНИЕ¤ ПОДСВЕТКА СТУПЕНЕЙ И ИМПУЛЬСН. ОСВЕЩЕНИЕ (С FOG)(№-) ЭЛЕКТРИКА

Схема запчастей Komatsu PC600-6A - ДОПОЛН. РАБОЧ. ОСВЕЩЕНИЕ¤ ПОДСВЕТКА СТУПЕНЕЙ И ИМПУЛЬСН. ОСВЕЩЕНИЕ (С FOG)(№-) ЭЛЕКТРИКА
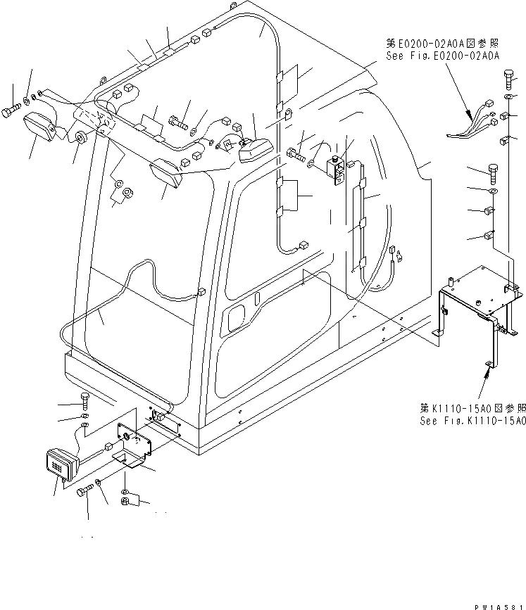
1
1
1
2
3
4
5
6
7
7
7
7
7
8
9
10
11
12
13
14
15
16
16
17
17
18
19
19
20
20
21
22
23
24
25
26
27
FIT
1:1
100%

Артикул

Название

Примечание

Количество

1

21T-06-67871

WORK LAMP ASS'Y

|1

421-06-23330

BULB¤ 70W,24V

2

209-06-71221

WIRING HARNESS

3

01010-81020

BOLT

4

01643-31032

WASHER

5

08037-02512

GROMMET

6

209-06-71231

WIRING HARNESS

7

20Y-54-13440

CLIP

8

20Y-06-25310

WORK LAMP ASS'Y

|8

421-06-23330

BULB¤ 70W,24V

9

01010-81020

BOLT

10

01643-31032

WASHER

11

209-06-72411

SWITCH

12

01010-81030

BOLT

13

01643-31032

WASHER

14

209-06-72431

WIRING HARNESS

15

20Y-54-13440

CLIP

16

569-06-61960

RELAY

17

20Y-06-25310

WORK LAMP ASS'Y

|17

421-06-23330

BULB¤ 70W,24V

18

21M-06-15520

BRACKET

19

01010-81230

BOLT

20

01643-31232

WASHER

21

21M-06-15540

WIRING HARNESS

22

569-06-61960

RELAY

23

01010-80620

BOLT

24

01643-30623

WASHER

25

569-06-61960

RELAY

26

01010-80620

BOLT

27

01643-30623

WASHER

Выбрано товаров: 30