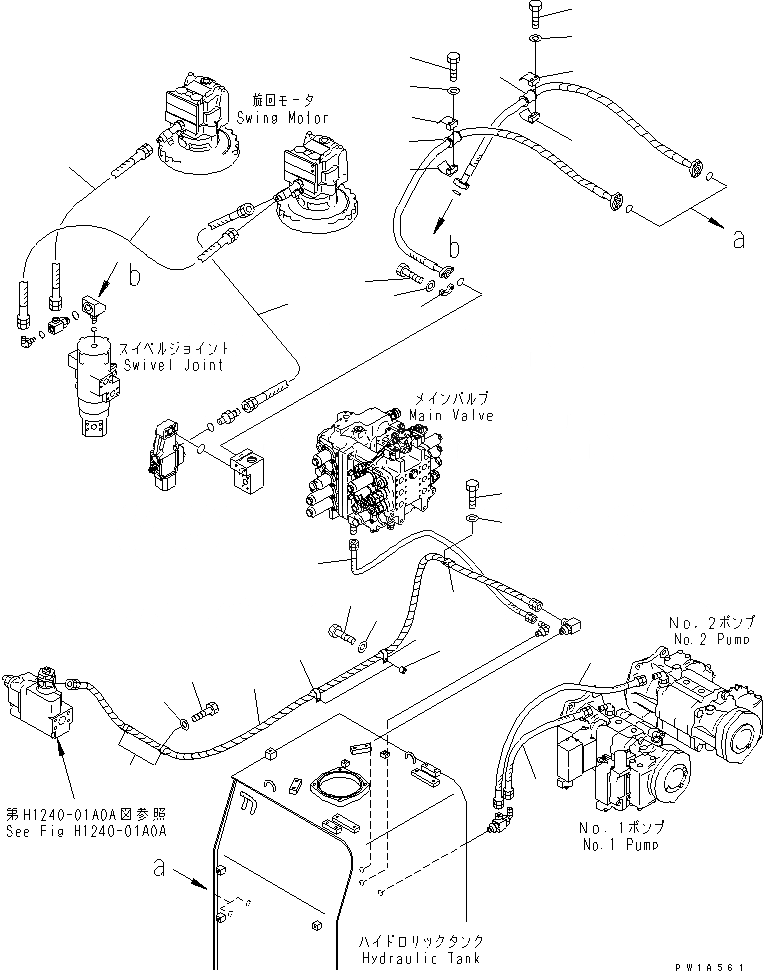
Запчасти Komatsu PC600-6A ВОЗВРАТН. ЛИНИЯ(№-) ГИДРАВЛИКА

Схема запчастей Komatsu PC600-6A - ВОЗВРАТН. ЛИНИЯ(№-) ГИДРАВЛИКА
1
2
3
4
5
5
6
7
8
9
10
11
12
13
14
15
16
17
18
19
20
21
21
22
22
22
22
23
23
24
24
FIT
1:1
100%

Артикул

Название

Примечание

Количество

1

21M-62-16512

HOSE ASS'Y

2

04434-53212

CLIP

3

01010-81230

BOLT

4

01643-31232

WASHER

5

04434-53212

CLIP

6

195-33-11220

SPACER

7

01010-81250

BOLT

8

01643-31232

WASHER

9

04434-53212

CLIP

10

01010-81225

BOLT

11

01643-31232

WASHER

12

07102-205A5

HOSE

13

07102-20507

HOSE

14

07102-20507

HOSE

15

07102-20515

HOSE

16

07102-20606

HOSE

17

07102-20612

HOSE

18

07371-31049

FLANGE

19

07372-21035

BOLT

20

01643-51032

WASHER

21

07095-01037

CUSHION

22

07094-11024

CLAMP

23

01010-81280

BOLT

24

01643-31232

WASHER

Выбрано товаров: 0