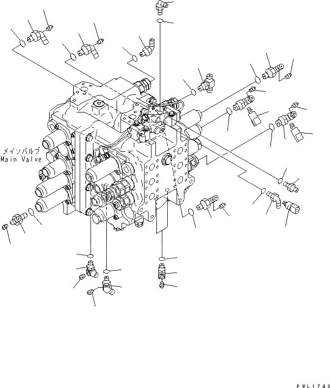
Запчасти Komatsu PC600-6K ОСНОВН. КЛАПАН (СОЕДИНИТЕЛЬН. ЧАСТИ) ( АКТУАТОР) (/) ГИДРАВЛИКА

Схема запчастей Komatsu PC600-6K - ОСНОВН. КЛАПАН (СОЕДИНИТЕЛЬН. ЧАСТИ) ( АКТУАТОР) (/) ГИДРАВЛИКА
1
2
3
4
5
6
7
7
7
8
8
8
9
9
9
10
11
12
13
14
15
16
17
18
19
20
21
22
22
23
24
24
24
25
25
25
26
27
28
29
30
31
32
FIT
1:1
100%

Артикул

Название

Примечание

Количество

1

21M-62-16450

ELBOW

2

07002-12034

O-RING

3

07042-30108

PLUG

4

209-62-57920

ELBOW

5

07002-12034

O-RING

6

07042-30108

PLUG

7

209-62-67460

ELBOW

8

07002-12034

O-RING

9

07042-30108

PLUG

10

20Y-62-17120

TEE

11

07002-11623

O-RING

12

21M-62-16390

TEE

13

07002-12034

O-RING

14

07042-30108

PLUG

15

206-06-61130

SWITCH

16

21M-62-16470

TEE

17

07002-12034

O-RING

18

07042-30108

PLUG

19

206-06-61130

SWITCH

20

20Y-62-11940

ELBOW

21

07002-11623

O-RING

22

20Y-62-17720

ELBOW

23

20Y-62-17720

ELBOW

24

07002-11423

O-RING

25

07042-30108

PLUG

26

205-62-55270

NIPPLE

27

07002-11423

O-RING

28

07235-10311

ELBOW

29

07002-11423

O-RING

30

07235-50311

ELBOW

31

07002-11423

O-RING

32

206-06-61130

SWITCH

Выбрано товаров: 32