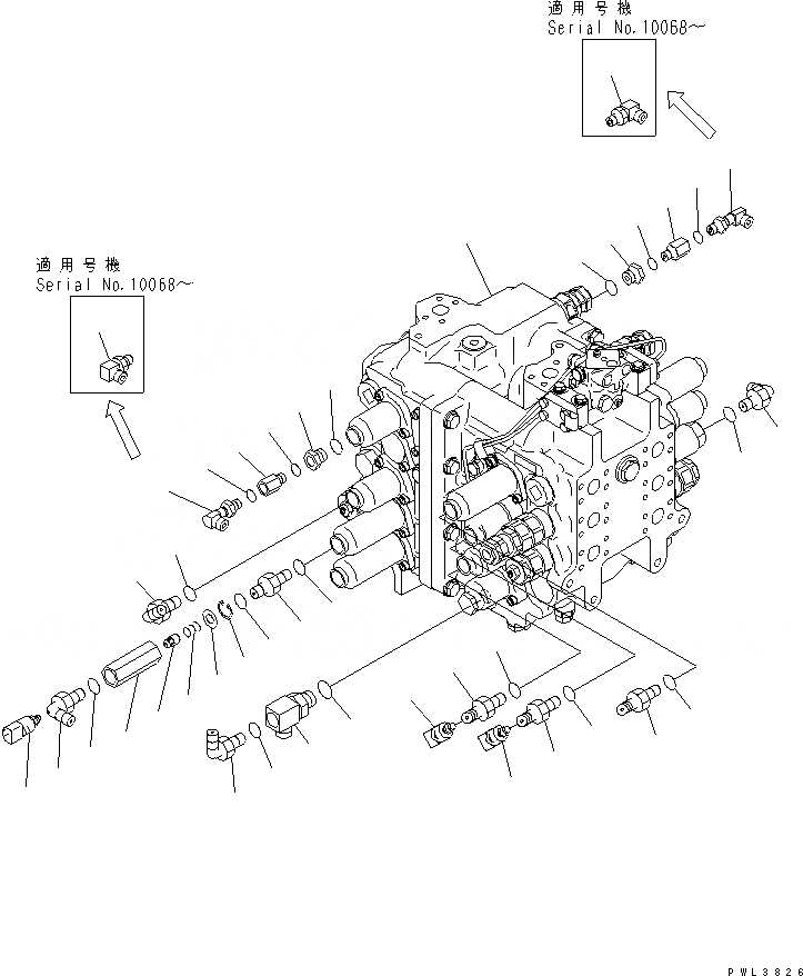
Запчасти Komatsu PC600-6KJ ОСНОВН. КЛАПАН ( АКТУАТОР) (ДЛЯ СЕРВИСНЫЙ КЛАПАН) (/) ГИДРАВЛИКА

Схема запчастей Komatsu PC600-6KJ - ОСНОВН. КЛАПАН ( АКТУАТОР) (ДЛЯ СЕРВИСНЫЙ КЛАПАН) (/) ГИДРАВЛИКА
1
2
3
4
4
5
5
6
7
8
9
10
11
12
13
14
15
16
17
18
19
20
21
22
23
24
25
25
26
26
27
27
28
28
29
29
29
29
30
30
31
32
FIT
1:1
100%

Артикул

Название

Примечание

Количество

1

709-99-14702

CONTROL VALVE

|1

709-99-14701

CONTROL VALVE

2

07236-50315

ELBOW

3

21M-62-16490

ELBOW

4

07002-12034

O-RING

5

206-06-61130

SWITCH

6

203-973-5610

UNION

7

07002-12034

O-RING

|8

21M-60-11510

VALVE ASS'Y

8

205-60-51410

SPRING

9

205-60-51420

SEAT

10

BODY

11

21M-60-11520

POPPET

12

04065-01410

RING

13

07002-12034

O-RING

14

209-62-57920

ELBOW

15

07002-12034

O-RING

16

206-06-61130

SWITCH

17

21M-62-16460

ELBOW

18

07002-12034

O-RING

19

07235-10315

ELBOW

20

07002-12034

O-RING

21

20Y-62-16450

ELBOW

22

07002-12434

O-RING

23

07235-10315

ELBOW

24

07002-12034

O-RING

25

21M-62-16670

ADAPTER

26

07002-11423

O-RING

27

20Y-62-21940

FILTER ASS'Y

28

07002-12034

O-RING

29

207-62-63780

ELBOW

|29

19M-61-14940

ELBOW

30

07002-11423

O-RING

31

07235-10316

ELBOW

32

07002-12034

O-RING

Выбрано товаров: 35