Запчасти Komatsu PC600-7K ОСНОВН. КОНСТРУКЦИЯ (КРЕПЛЕНИЕ) КАБИНА ОПЕРАТОРА И СИСТЕМА УПРАВЛЕНИЯ

Схема запчастей Komatsu PC600-7K - ОСНОВН. КОНСТРУКЦИЯ (КРЕПЛЕНИЕ) КАБИНА ОПЕРАТОРА И СИСТЕМА УПРАВЛЕНИЯ
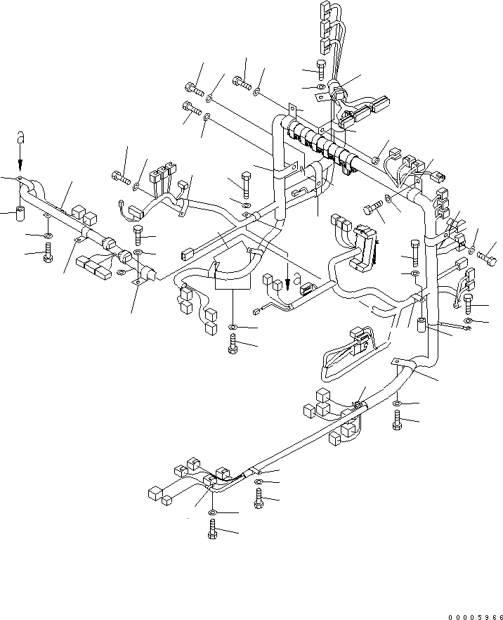
1
2
3
4
5
6
7
8
9
10
11
12
13
14
15
16
17
18
19
19
20
21
22
23
24
25
25
25
26
27
28
29
30
31
32
33
34
35
36
37
38
39
40
41
42
43
44
44
44
45
46
47
48
49
50
FIT
1:1
100%

Артикул

Название

Примечание

Количество

1

04434-51010

CLIP

2

01010-81016

BOLT

3

01643-31032

WASHER

4

04434-51910

CLIP

5

01010-81016

BOLT

6

01643-31032

WASHER

7

04434-53211

CLIP

8

01010-81016

BOLT

9

01643-31032

WASHER

10

581-04-22290

CLIP

|10

04434-53411

CLIP

11

01010-D1065

BOLT

|11

01010-D1055

BOLT

12

01643-71032

WASHER

13

205-03-71331

COLLAR

|13

205-03-71330

COLLAR

14

01010-81020

BOLT

15

01643-31032

WASHER

16

04434-53411

CLIP

17

01010-81020

BOLT

18

01643-31032

WASHER

19

04434-53411

CLIP

20

01010-81020

BOLT

21

01643-31032

WASHER

22

04434-53411

CLIP

23

01010-81020

BOLT

24

01643-31032

WASHER

25

04434-52711

CLIP

26

01010-81020

BOLT

27

01643-31032

WASHER

28

103-21-21260

BOSS

29

01010-81030

BOLT

30

01643-31032

WASHER

31

04434-52310

CLIP

32

01010-81030

BOLT

33

01643-31032

WASHER

34

04434-52310

CLIP

35

01010-81020

BOLT

36

01643-31032

WASHER

37

04434-52310

CLIP

38

205-03-71330

COLLAR

39

01010-D1055

BOLT

40

01643-71032

WASHER

41

04434-52310

CLIP

42

01010-81016

BOLT

43

01643-31032

WASHER

44

04434-52711

CLIP

45

01010-81016

BOLT

46

01643-31032

WASHER

47

04434-53211

CLIP

48

01010-81016

BOLT

49

01643-31032

WASHER

50

08034-20519

BAND

Выбрано товаров: 53