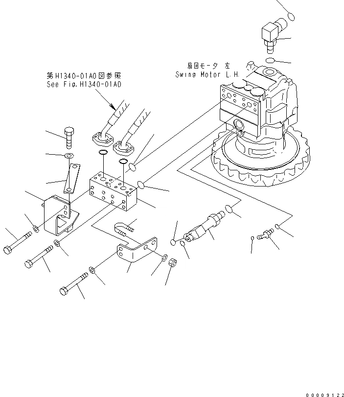
Запчасти Komatsu PC600-7K МЕХАНИЗМ ПОВОРОТА (БЛОК) (ЛЕВ.) ПОВОРОТН. КРУГ И КОМПОНЕНТЫ

Схема запчастей Komatsu PC600-7K - МЕХАНИЗМ ПОВОРОТА (БЛОК) (ЛЕВ.) ПОВОРОТН. КРУГ И КОМПОНЕНТЫ
1
2
2
3
4
5
6
7
7
8
8
9
10
11
12
13
13
14
15
16
17
18
19
20
21
22
23
FIT
1:1
100%

Артикул

Название

Примечание

Количество

1

20Y-62-21421

BLOCK

2

07000-13030

O-RING

3

21M-62-16251

BRACKET

4

207-977-5120

BRACKET

5

01010-81230

BOLT

6

01643-31232

WASHER

7

01010-81080

BOLT

8

01643-31032

WASHER

9

01010-81075

BOLT

10

01643-31032

WASHER

11

20Y-62-41940

ELBOW

12

07002-12434

O-RING

13

02896-11015

O-RING

14

207-62-72131

ELBOW

15

07002-12434

O-RING

16

207-62-64740

O-RING

17

02782-10311

ELBOW

18

07002-11423

O-RING

19

02896-11009

O-RING

20

21M-26-11230

BRACKET

21

07283-22738

CLIP

22

01643-31032

WASHER

23

01597-01009

NUT

Выбрано товаров: 23