Запчасти Komatsu PC600-8 ВОЗВРАТ. ТРУБЫ ГИДРАВЛИКА

Схема запчастей Komatsu PC600-8 - ВОЗВРАТ. ТРУБЫ ГИДРАВЛИКА
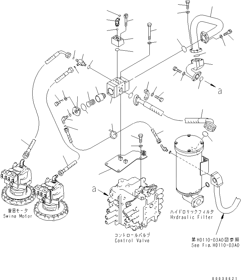
1
2
3
4
5
6
7
8
9
10
11
12
13
14
15
16
17
18
19
20
20
21
21
22
22
23
24
25
26
27
28
29
29
30
31
32
33
34
35
36
37
38
38
39
40
41
FIT
1:1
100%

Артикул

Название

Примечание

Количество

1

21M-62-16182

BRACKET

2

01010-81230

BOLT

3

01643-31232

WASHER

|$7

21M-60-21200

VALVE ASS'Y

4

BODY

5

21M-60-11420

FLANGE

6

01010-81230

BOLT

7

01643-31232

WASHER

8

207-60-51460

POPPET

9

209-60-52320

SPRING

10

07000-12060

O-RING

11

01011-81225

BOLT

12

01643-31232

WASHER

13

21M-62-21220

BLOCK

14

01252-71070

BOLT

15

07000-B3038

O-RING

16

02782-10628

ELBOW

17

02896-11018

O-RING

18

07002-12434

O-RING

19

21M-62-16151

TUBE

20

07372-21245

BOLT

21

01643-51232

WASHER

22

07000-B2060

O-RING

23

21M-62-16141

TUBE

24

01010-81240

BOLT

25

01643-31232

WASHER

26

07000-B3045

O-RING

27

21M-62-14460

TEE

28

07002-13334

O-RING

29

207-62-64740

O-RING

30

21M-62-14470

HOSE

31

23B-16-31760

HOSE, 700MM

32

02782-10317

ELBOW

33

07002-12034

O-RING

34

02896-11009

O-RING

35

21M-62-14480

HOSE

36

08034-20536

BAND

37

07297-02008

HOSE

38

07000-B2060

O-RING

39

07371-32076

FLANGE

40

07372-21240

BOLT

41

01643-51232

WASHER

Выбрано товаров: 42