Запчасти Komatsu PC600-8 МЕХ-М ОТБОРА МОЩНОСТИ (МЕХ-М ОТБОРА МОЩН-ТИ ТРУБЫ) (ПОДАЮЩ. ТРУБЫ)(№7-) КОМПОНЕНТЫ ДВИГАТЕЛЯ

Схема запчастей Komatsu PC600-8 - МЕХ-М ОТБОРА МОЩНОСТИ (МЕХ-М ОТБОРА МОЩН-ТИ ТРУБЫ) (ПОДАЮЩ. ТРУБЫ)(№7-) КОМПОНЕНТЫ ДВИГАТЕЛЯ
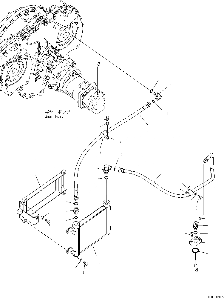
1
2
3
4
5
6
7
8
9
10
11
12
13
14
15
16
17
18
19
20
21
22
23
24
25
26
27
28
29
30
31
FIT
1:1
100%

Артикул

Название

Примечание

Количество

1

21M-38-21480

FLANGE

2

01252-70835

BOLT

3

07000-E3030

O-RING

4

21M-38-21460

ELBOW

5

02896-21012

O-RING

6

07002-22034

O-RING

7

21M-38-21451

HOSE

8

04434-52512

CLIP

9

07095-20318

CUSHION

10

01010-81225

BOLT

11

01643-31232

WASHER

12

02782-10425

ELBOW

13

02896-21012

O-RING

14

07002-22434

O-RING

15

21M-38-21430

OIL COOLER

16

01010-81025

BOLT

17

01643-31032

WASHER

18

21M-38-21422

BRACKET

19

01010-81225

BOLT

20

01643-31232

WASHER

21

02781-0042A

JOINT

22

02896-21012

O-RING

23

07002-22434

O-RING

24

02762-00410

HOSE, 1000MM

25

04434-52512

CLIP

26

07095-20318

CUSHION

27

01010-81225

BOLT

28

01643-31232

WASHER

29

02782-10422

ELBOW

30

02896-21012

O-RING

31

07002-22034

O-RING

Выбрано товаров: 31