Запчасти Komatsu PC600-8 РАМА (КАБИНА) (РАМА)(№7-) ЧАСТИ КОРПУСА

Схема запчастей Komatsu PC600-8 - РАМА (КАБИНА) (РАМА)(№7-) ЧАСТИ КОРПУСА
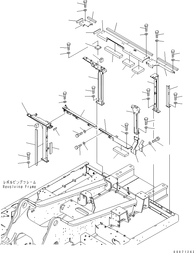
1
2
3
4
5
6
7
8
9
10
11
12
13
14
15
16
17
18
19
20
21
22
23
24
25
26
27
28
28
29
29
30
31
32
33
34
35
36
37
38
39
40
41
42
43
44
45
46
47
48
49
50
51
52
53
54
55
FIT
1:1
100%

Артикул

Название

Примечание

Количество

1

21M-54-21211

FRAME

2

21M-54-12450

SHEET

3

21M-54-18850

SHEET

4

21M-54-21661

SHEET

5

21M-54-22240

SHEET

6

01010-81240

BOLT

7

01643-31232

WASHER

8

21M-54-21221

FRAME

9

21M-54-22281

SHEET

10

01010-81235

BOLT

11

01643-31232

WASHER

12

21M-54-21290

PLATE

13

01010-81245

BOLT

14

01643-31232

WASHER

15

21M-54-21231

FRAME

16

01010-81240

BOLT

17

01643-31232

WASHER

18

21M-54-21261

FRAME

19

01010-81240

BOLT

20

01643-31232

WASHER

21

21M-54-21241

FRAME

22

01010-81235

BOLT

23

01643-31232

WASHER

24

01010-81245

BOLT

25

01643-31232

WASHER

26

21M-54-21271

COVER

27

21M-54-17460

SHEET

28

01010-81235

BOLT

29

01643-31232

WASHER

30

21M-54-21251

FRAME

31

21M-54-21780

SHEET

32

21M-54-21811

SHEET

33

21M-54-22970

SHEET

34

21M-54-22980

SHEET

35

21M-54-22990

SHEET

36

01010-81230

BOLT

37

01643-31232

WASHER

38

21M-54-21881

FRAME

39

21M-54-21890

SHEET

40

01010-81235

BOLT

41

01643-31232

WASHER

42

01010-81230

BOLT

43

01643-31232

WASHER

44

21M-54-21281

COVER

45

21M-54-21830

SHEET

46

21M-54-21841

SHEET

47

01010-81230

BOLT

48

01643-31232

WASHER

49

21M-54-23810

FRAME

50

01010-81230

BOLT

51

01643-31232

WASHER

52

21M-54-23710

BRACKET

53

21M-54-17980

SHEET

54

01010-81230

BOLT

55

01643-31232

WASHER

Выбрано товаров: 55