Запчасти Komatsu PC600-8 ОСНОВН. НАСОС (7/) (NO. НАСОС) ОСНОВН. КОМПОНЕНТЫ И РЕМКОМПЛЕКТЫ

Схема запчастей Komatsu PC600-8 - ОСНОВН. НАСОС (7/) (NO. НАСОС) ОСНОВН. КОМПОНЕНТЫ И РЕМКОМПЛЕКТЫ
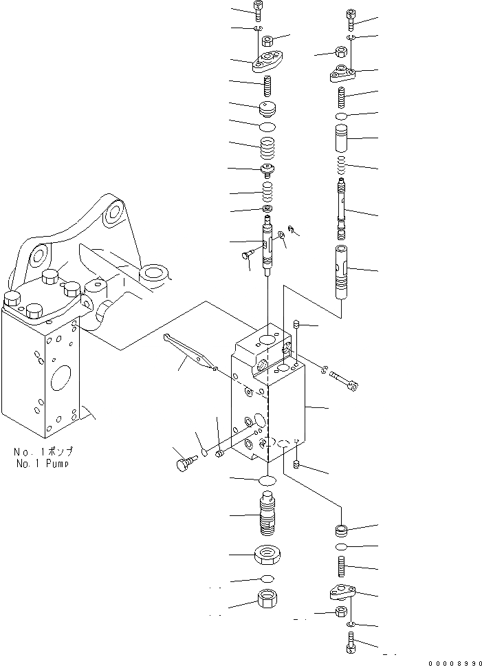
1
2
2
2
3
4
5
6
7
8
9
10
11
12
13
14
15
16
17
18
19
20
21
22
23
24
24
24
25
25
26
26
27
27
28
28
29
29
30
31
32
33
34
35
FIT
1:1
100%

Артикул

Название

Примечание

Количество

|$2

708-2L-00771

PUMP ASS'Y

|$3

708-2L-00770

PUMP ASS'Y

|$5

708-25-85171

SERVO VALVE ASS'Y,FRONT

|$6

708-25-85170

SERVO VALVE ASS'Y,FRONT

|$7

708-25-85371

SERVO VALVE SUB A.,FRONT

|$8

708-25-85370

SERVO VALVE SUB A.,FRONT

|$9

708-25-00830

BODY ASS'Y

|$10

708-23-00411

BODY ASS'Y

1

BODY,FRONT

1

BODY,FRONT

2

EXPANDER

3

708-25-15120

PISTON

4

708-25-15130

SEAT

5

708-25-25130

SPRING

6

708-25-55250

SPRING

7

708-23-15120

SEAT

8

708-23-15160

PLUG

9

07000-B2018

O-RING

9

07000-12018

O-RING

10

708-25-15150

COVER

11

01580-10806

NUT

12

01252-60616

BOLT

13

01602-20619

WASHER

14

708-25-55680

PLUG

15

02896-61009

O-RING

16

02789-00315

PLUG

17

07002-62034

O-RING

17

07002-12034

O-RING

18

07239-12009

NUT

19

708-25-15180

SLEEVE

20

708-25-15280

SPOOL

21

708-25-15310

SPRING

22

708-25-15330

SPACER

23

708-25-15430

PLUG

24

708-25-15340

SCREW

25

07000-B2012

O-RING

25

07000-12012

O-RING

26

708-25-15250

COVER

27

01580-10806

NUT

28

01252-60616

BOLT

29

01602-20619

WASHER

30

708-25-15260

PLUG

31

07002-60823

O-RING

31

07002-10823

O-RING

32

708-25-15270

ARM

33

708-25-15360

PIN

34

708-25-15370

WASHER

35

708-25-15380

E-RING

Выбрано товаров: 48