Запчасти Komatsu PC600-8 ГИДР. БАК. (БАК И ФИЛЬТР.) ГИДРАВЛИКА

Схема запчастей Komatsu PC600-8 - ГИДР. БАК. (БАК И ФИЛЬТР.) ГИДРАВЛИКА
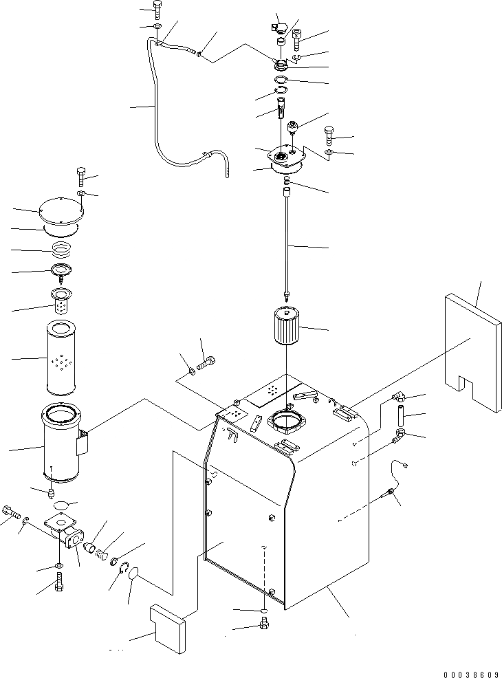
1
2
2
3
4
5
6
6A
7
8
9
10
11
12
13
14
15
16
17
18
19
20
21
22
23
24
25
26
27
28
29
30
31
32
33
34
35
36
37
38
39
40
41
42
43
44
45
46
47
48
49
50
51
FIT
1:1
100%

Артикул

Название

Примечание

Количество

1

21M-60-21113

TANK

1

21M-60-21112

TANK

2

203-60-31100

ELBOW ASS'Y

3

203-60-31160

TUBE

4

07040-12412

PLUG

5

07002-12434

O-RING

6

21M-60-21291

SHEET

6A

21M-60-21280

SHEET

7

21M-60-21120

COVER

8

07000-15180

O-RING

9

01010-81225

BOLT

10

01643-31232

WASHER

11

198-60-55510

BREATHER

|$28

21M-60-21190

STRAINER ASS'Y

12

21M-60-11150

ROD ASS'Y

13

12R-60-11230

SPRING

14

21M-60-21140

STRAINER

15

17A-60-11310

CAP ASS'Y

16

20Y-60-21470

ELEMENT

17

208-60-71180

FILLER NECK

17

20Y-60-21460

NECK

18

20Y-60-21340

GASKET

19

01252-70516

BOLT

20

01601-20513

WASHER

21

07056-10045

STRAINER

22

04065-04718

RING

23

07270-61421

TUBE

23

07270-61418

TUBE

24

07285-00155

CLIP

25

04434-51812

CLIP

26

01010-81225

BOLT

27

01643-31232

WASHER

28

7861-93-3320

SENSOR

29

21M-60-11240

CASE

30

21M-60-21220

COVER

31

07000-15180

O-RING

32

01010-81235

BOLT

33

01643-31232

WASHER

34

07069-34057

SPRING

35

20Y-60-31131

VALVE ASS'Y

36

20Y-60-31140

STRAINER

37

209-60-77532

ELEMENT

37

209-60-77531

ELEMENT

38

21N-60-31240

POPPET

39

706-76-71190

SPRING

40

04065-05020

RING

41

21M-60-21160

SPACER

42

07042-30211

PLUG

43

21M-60-21130

BRACKET

44

01010-81025

BOLT

45

01643-31032

WASHER

46

07000-12095

O-RING

47

01010-81230

BOLT

48

175-54-34170

WASHER

49

07000-12060

O-RING

50

01010-81245

BOLT

51

01643-31232

WASHER

Выбрано товаров: 57