Запчасти Komatsu PC600-8 ОСНОВН. КЛАПАН (/) ГИДРАВЛИКА

Схема запчастей Komatsu PC600-8 - ОСНОВН. КЛАПАН (/) ГИДРАВЛИКА
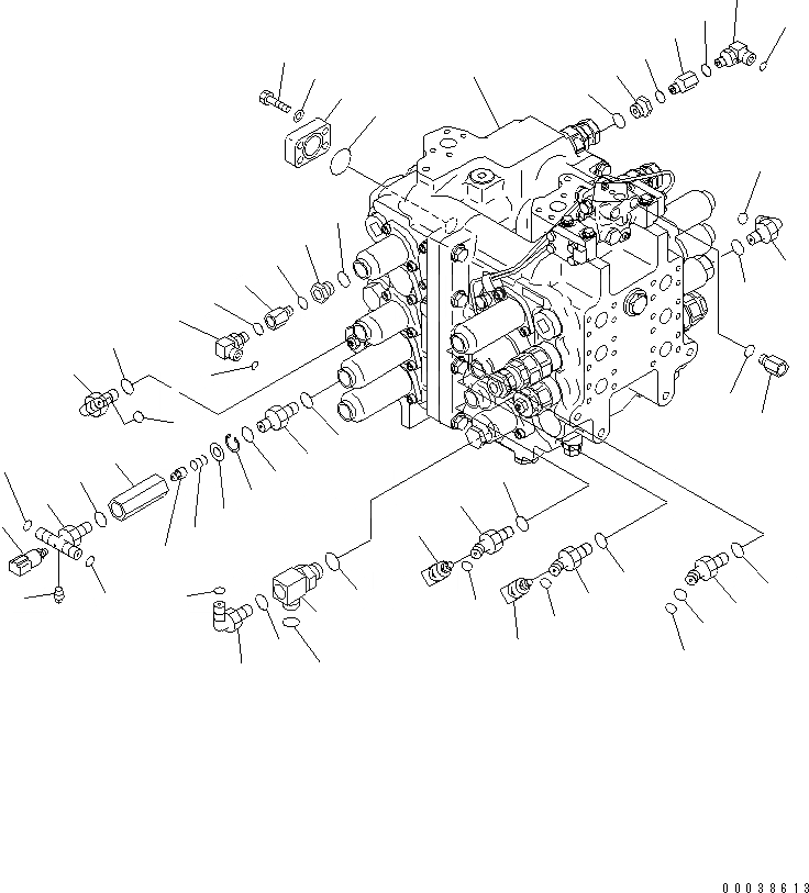
1
2
3
4
5
6
7
8
8
9
9
10
10
11
12
13
14
15
16
17
18
19
20
21
22
22
23
24
25
26
27
28
29
30
31
32
33
34
35
36
37
37
37
38
38
38
39
39
40
40
41
41
42
42
43
43
44
45
46
FIT
1:1
100%

Артикул

Название

Примечание

Количество

1

709-99-15100

MAIN VALVE

2

207-62-56190

FLANGE

3

01010-81040

BOLT

4

01643-31032

WASHER

5

07000-13035

O-RING

6

21M-62-14330

ELBOW

7

21M-62-14340

ELBOW

8

02896-11009

O-RING

9

07002-12034

O-RING

10

206-06-61130

SWITCH

11

203-973-5610

UNION

12

07002-12034

O-RING

|$16

21M-60-11510

VALVE ASS'Y

13

205-60-51410

SPRING

14

205-60-51420

SEAT

15

BODY

16

21M-60-11520

POPPET

17

04065-01410

RING

18

07002-12034

O-RING

19

21M-62-14411

TEE

20

07002-12034

O-RING

21

206-06-61130

SWITCH

22

02896-11009

O-RING

23

07042-30108

PLUG

24

21M-62-21740

ELBOW

24

21M-62-14360

ELBOW

25

201-60-11390

O-RING

26

20Y-62-19560

O-RING

27

07002-12034

O-RING

28

02782-10315

ELBOW

29

07002-12034

O-RING

30

02896-11009

O-RING

31

21M-62-22510

ELBOW

31

20U-62-46570

ELBOW

32

07002-12434

O-RING

33

02896-11015

O-RING

34

02782-10315

ELBOW

35

07002-12034

O-RING

36

02896-11009

O-RING

37

21M-62-16670

ADAPTER

38

07002-11423

O-RING

39

20Y-62-21940

FILTER ASS'Y

40

07002-12034

O-RING

41

8296-62-2160

ELBOW

42

07002-11423

O-RING

43

02896-11009

O-RING

44

02782-10316

ELBOW

45

07002-12034

O-RING

46

02896-11009

O-RING

Выбрано товаров: 49