Запчасти Komatsu PC600-8 РУКОЯТЬ И ЛИНИЯ КОВШАS (КЛАПАН ЛИНИЯ) (/) H ГИДРАВЛИКА

Схема запчастей Komatsu PC600-8 - РУКОЯТЬ И ЛИНИЯ КОВШАS (КЛАПАН ЛИНИЯ) (/) H ГИДРАВЛИКА
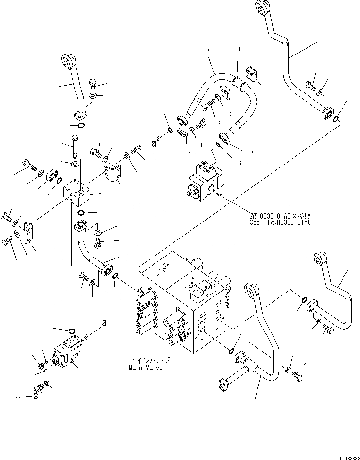
1
2
3
3
4
4
5
5
6
7
8
9
10
11
11
12
12
13
13
14
15
16
17
18
19
19
20
20
20
20
21
21
21
21
22
23
24
25
25
26
27
28
29
30
31
32
33
34
35
36
36
37
37
38
39
40
41
41
42
43
FIT
1:1
100%

Артикул

Название

Примечание

Количество

1

21M-62-11241

TUBE

2

21M-62-11230

TUBE

3

07372-21040

BOLT

4

01643-51032

WASHER

5

07000-B3035

O-RING

6

21M-62-21230

TUBE

7

07372-21040

BOLT

8

01643-51032

WASHER

9

07000-B3035

O-RING

10

21M-62-21240

TUBE

11

07372-21040

BOLT

12

01643-51032

WASHER

13

07000-B3035

O-RING

14

21M-62-21211

BLOCK

15

207-62-56190

FLANGE

16

01010-81040

BOLT

17

01643-31032

WASHER

18

07000-B3035

O-RING

19

21M-62-21260

BRACKET

20

01010-81230

BOLT

21

175-54-34170

WASHER

22

21M-62-21250

TUBE

23

07372-21040

BOLT

24

01643-51032

WASHER

25

07000-B3035

O-RING

26

702-21-04800

VALVE ASSEMBLY

27

01010-81095

BOLT

28

01643-31032

WASHER

29

02782-10311

ELBOW

30

02896-11009

O-RING

31

07002-11423

O-RING

32

02782-10425

ELBOW

33

02896-11012

O-RING

34

07002-12434

O-RING

35

07122-01011

HOSE

36

07000-B3032

O-RING

37

07371-31049

FLANGE

38

07372-21035

BOLT

39

01643-51032

WASHER

40

07095-01034

CUSHION

41

07094-11024

CLAMP

42

01010-81275

BOLT

43

01643-31232

WASHER

Выбрано товаров: 43