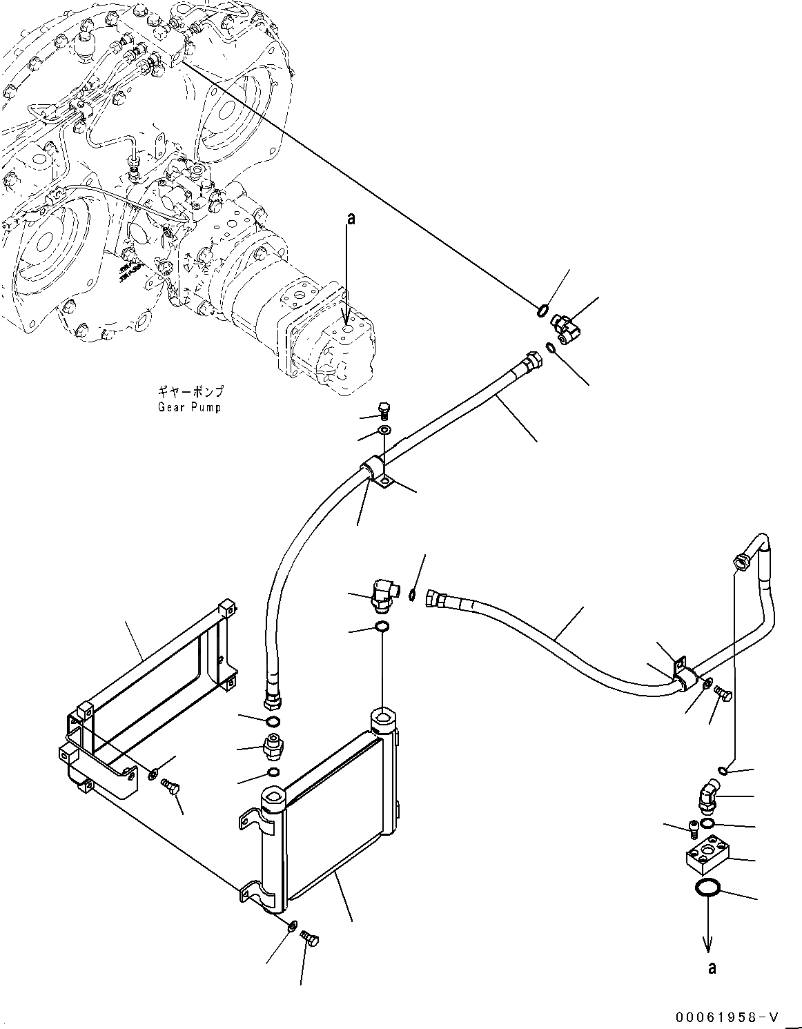
Запчасти Komatsu PC600-8E0 POWER TAKEOFF, ПОДАЮЩ. ТРУБЫ (№-) POWER TAKEOFF

Схема запчастей Komatsu PC600-8E0 - POWER TAKEOFF, ПОДАЮЩ. ТРУБЫ (№-) POWER TAKEOFF
20
19
15
21
14
13
12
17
16
1
2
30
29
5
4
7
24
25
8
26
9
27
10
3
6
11
22
23
28
31
18
FIT
1:1
100%

Артикул

Название

Примечание

Количество

1

21M-38-21480

Flange

2

01252-A0835

Bolt, Hexagon Socket Head

3

07000-E3030

O-ring

4

21M-38-21460

Elbow

5

02896-21012

O-ring

6

07002-22034

O-ring

7

21M-38-21451

Hose

8

04434-52512

Clip

9

07095-20318

Cushion

10

01010-81225

Bolt

11

01643-31232

Washer

12

02782-10425

Elbow

13

02896-21012

O-ring

14

07002-22434

O-ring

15

21M-38-21430

Oil Cooler

16

01010-81025

Bolt

17

01643-31032

Washer

18

21M-38-21422

Bracket

19

01010-81225

Bolt

20

01643-31232

Washer

21

02781-0042A

Joint

22

02896-21012

O-ring

23

07002-22434

O-ring

24

02762-00410

Hose

25

04434-52512

Clip

26

07095-20318

Cushion

27

01010-81225

Bolt

28

01643-31232

Washer

29

02782-10422

Elbow

30

02896-21012

O-ring

31

07002-22034

O-ring

Выбрано товаров: 0