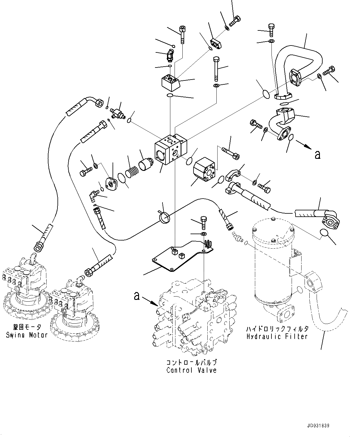
Запчасти Komatsu PC600-8E0 ВОЗВРАТ. ТРУБЫ (№-) ВОЗВРАТ. ТРУБЫ, ДЛЯ ПРЯМАЯ ЛОПАТА CONFIGURATION

Схема запчастей Komatsu PC600-8E0 - ВОЗВРАТ. ТРУБЫ (№-) ВОЗВРАТ. ТРУБЫ, ДЛЯ ПРЯМАЯ ЛОПАТА CONFIGURATION
17
18
16
14
44
19
20
45
26
20
21
24
21
25
22
3
23
22
2
9
31
32
27
4
33
6
8
12
11
1
47
36
46
48
45
5
35
7
30
28
10
34
29
29
13
15
43
42
41
38
37
39
40
49
FIT
1:1
100%

Артикул

Название

Примечание

Количество

1

21M-62-16182

Bracket

2

01010-81230

Bolt

3

01643-31232

Washer

3

21M-60-21200

Valve Assembly

4

Body

5

21M-60-11420

Flange

6

01010-81230

Bolt

7

01643-31232

Washer

8

207-60-51460

Poppet

9

209-60-52320

Spring

10

07000-12060

O-ring

11

01011-81225

Bolt

12

01643-31232

Washer

13

21M-62-21220

Block

14

01252-71070

Bolt

15

07000-B3038

O-ring

16

02782-10628

Elbow

17

02896-11018

O-ring

18

07002-12434

O-ring

19

21M-62-16151

Tube

20

07372-21245

Bolt

21

01643-51232

Washer

22

07000-B2060

O-ring

23

21M-62-16141

Tube

24

01010-81240

Bolt

25

01643-31232

Washer

26

07000-B3045

O-ring

27

21M-62-14460

Tee

28

07002-13334

O-ring

29

207-62-64740

O-ring

30

21M-62-14470

Hose

31

23B-16-31760

Hose

32

02782-10317

Elbow

33

07002-12034

O-ring

34

02896-11009

O-ring

35

21M-62-14480

Hose

36

08034-20536

Band

37

207-62-56190

Flange

38

07000-B3035

O-ring

38

07000-B3032

O-ring

39

01010-81040

Bolt

40

01643-31032

Washer

41

21M-970-2140

Block

42

01252-71295

Bolt, Hexagon Socket Head

43

07000-B2060

O-ring

44

07297-02007

Hose, Flange Type

45

07000-B2060

O-ring

46

07371-32076

Flange, Split

47

07372-21240

Bolt

48

01643-51232

Washer

49

21M-62-16111

Tube

Выбрано товаров: 51