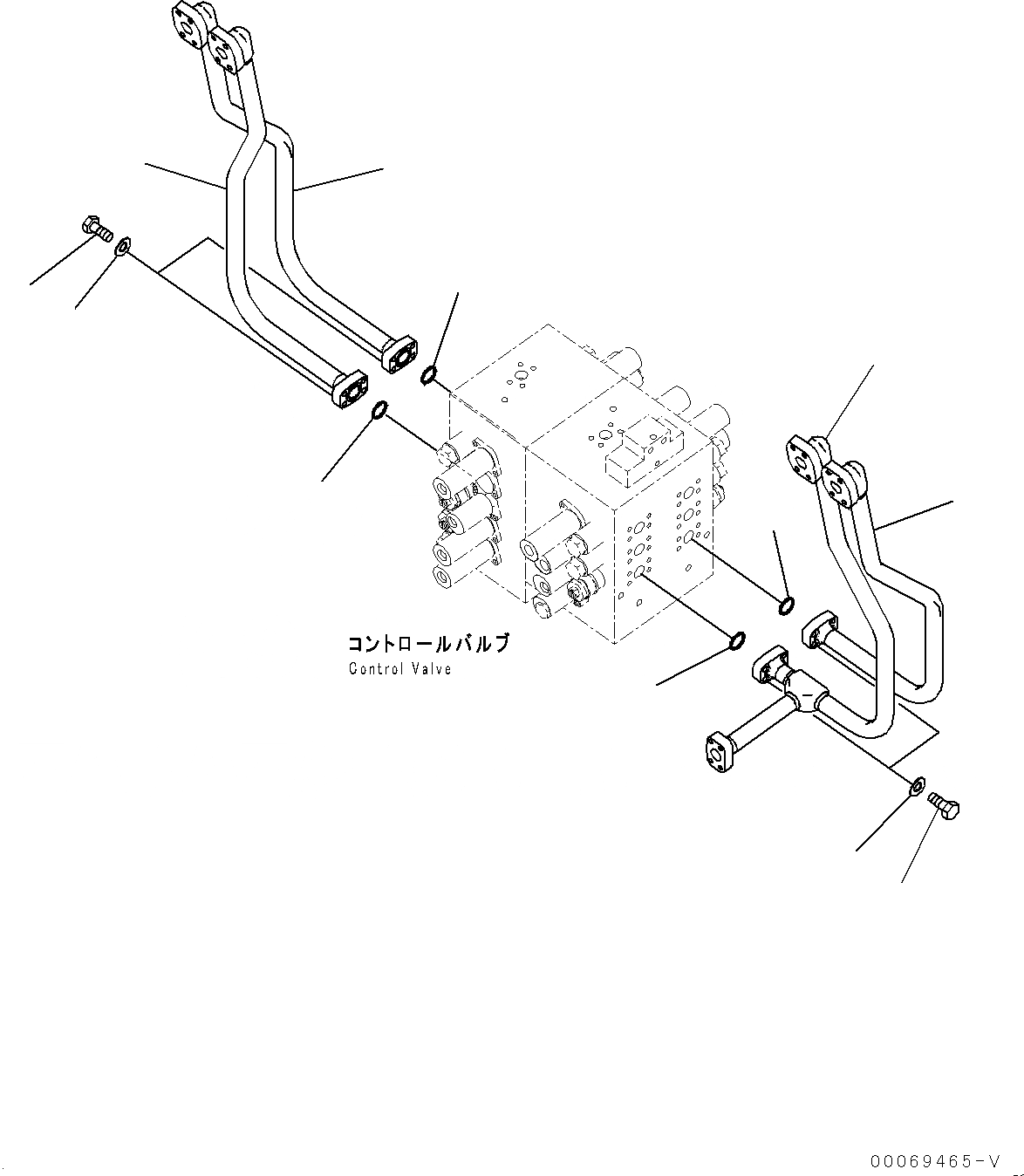
Запчасти Komatsu PC600-8E0 РУКОЯТЬ И КОВШ ТРУБЫ, КЛАПАН ТРУБЫ (/) (№-) РУКОЯТЬ И КОВШ ТРУБЫ, ДЛЯ ПРЯМАЯ ЛОПАТА CONFIGURATION

Схема запчастей Komatsu PC600-8E0 - РУКОЯТЬ И КОВШ ТРУБЫ, КЛАПАН ТРУБЫ (/) (№-) РУКОЯТЬ И КОВШ ТРУБЫ, ДЛЯ ПРЯМАЯ ЛОПАТА CONFIGURATION
10
7
8
10
6
5
2
5
1
3
4
9
FIT
1:1
100%

Артикул

Название

Примечание

Количество

1

21M-62-11241

Tube

2

21M-62-17650

Tube

3

07372-21040

Bolt

4

01643-51032

Washer

5

07000-B3035

O-ring

6

21M-62-11280

Tube

7

21M-62-11290

Tube

8

07372-21040

Bolt

9

01643-51032

Washer

10

07000-B3035

O-ring

Выбрано товаров: 10