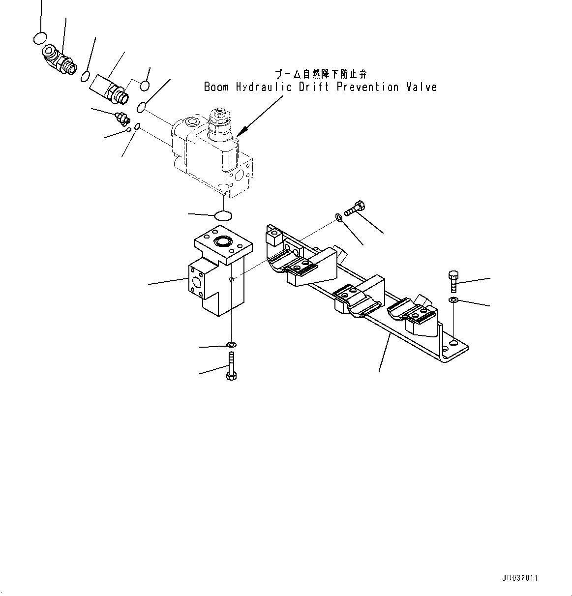
Запчасти Komatsu PC600-8E0 ГИДРАВЛ DRIFT PREВЕНТИЛЯТОРION КЛАПАН ТРУБЫ, КОМПОНЕНТЫ (№-) ГИДРАВЛ DRIFT PREВЕНТИЛЯТОРION КЛАПАН ТРУБЫ, С СТРЕЛА И РУКОЯТЬ ГИДРАВЛ DRIFT PREВЕНТИЛЯТОРION КЛАПАН

Схема запчастей Komatsu PC600-8E0 - ГИДРАВЛ DRIFT PREВЕНТИЛЯТОРION КЛАПАН ТРУБЫ, КОМПОНЕНТЫ (№-) ГИДРАВЛ DRIFT PREВЕНТИЛЯТОРION КЛАПАН ТРУБЫ, С СТРЕЛА И РУКОЯТЬ ГИДРАВЛ DRIFT PREВЕНТИЛЯТОРION КЛАПАН
4
5
6
18
11
17
10
9
1
2
8
3
7
13
16
12
14
15
FIT
1:1
100%

Артикул

Название

Примечание

Количество

1

207-62-52211

Block

2

07372-21040

Bolt

3

01643-51032

Washer

4

07000-13035

O-ring

5

01010-81240

Bolt

6

01643-31232

Washer

7

21M-62-11211

Bracket

8

01010-81230

Bolt

9

01643-31232

Washer

10

21N-64-36980

Elbow

11

07002-12434

O-ring

12

02896-11018

O-ring

13

02782-10628

Elbow

14

07002-12434

O-ring

15

02896-11018

O-ring

16

02782-10311

Elbow

17

07002-11423

O-ring

18

02896-11009

O-ring

Выбрано товаров: 18