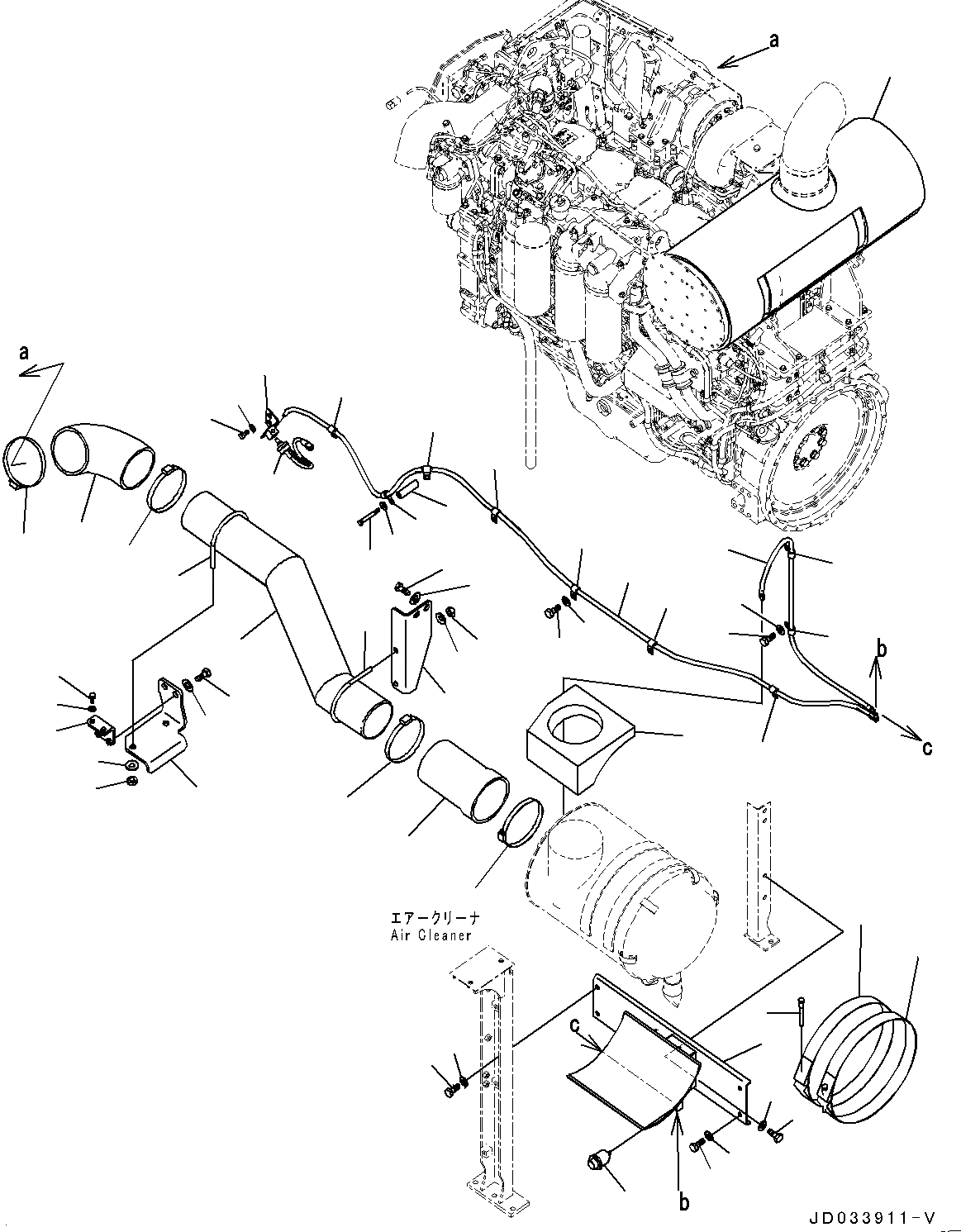
Запчасти Komatsu PC600-8E0 ВОЗДУХООЧИСТИТЕЛЬ (№-) ВОЗДУХООЧИСТИТЕЛЬ

Схема запчастей Komatsu PC600-8E0 - ВОЗДУХООЧИСТИТЕЛЬ (№-) ВОЗДУХООЧИСТИТЕЛЬ
7
4
1
1
2
8
9
32
32
31
3
29
34
33
5
5
6
6
6
5
26
10
27
27
17
20
21
22
19
18
23
25
24
11
14
15
16
13
12
32
32
32
32
32
32
38
35
32
28
40
39
30
37
36
34
33
41
FIT
1:1
100%

Артикул

Название

Примечание

Количество

1

6151-11-9970

Band Assembly

2

6643-11-4641

Bolt

3

21M-01-21170

Seal

4

21M-01-15211

Bracket

5

01010-81230

Bolt

6

01643-31232

Washer

7

21M-01-21120

Hose

8

07289-00170

Clamp, Hose

9

07289-00160

Clamp, Hose

10

21M-01-21110

Tube

11

21M-01-21130

Bracket

12

01010-81230

Bolt

13

175-54-34170

Washer

14

428-62-14640

Clip

15

01643-31232

Washer

16

01597-01211

Nut

17

21M-01-31110

Bracket

18

01010-81235

Bolt

19

175-54-34170

Washer

20

428-62-14640

Clip

21

01643-31232

Washer

22

01597-01211

Nut

23

21M-01-21150

Bracket

24

01010-81240

Bolt

25

01643-31232

Washer

26

21M-01-21160

Hose

27

07289-00160

Clamp, Hose

28

7861-93-1422

Sensor

28

7861-93-1421

Sensor

29

08672-01000

Indicator

30

08671-50186

Hose

31

08671-60140

Hose

32

04434-51412

Clip

33

01010-81230

Bolt

34

01643-31232

Washer

35

22S-62-26210

Spacer

36

01011-81200

Bolt

37

01643-31232

Washer

38

208-01-62112

Bracket

39

01010-81220

Bolt

40

01643-31232

Washer

41

21M-01-21950

Cover

Выбрано товаров: 42