Запчасти Komatsu PC600-8R КОНДИЦ. ВОЗДУХА (ПРИЕМНЫЙ БАК)(№-9) КАБИНА ОПЕРАТОРА И СИСТЕМА УПРАВЛЕНИЯ

Схема запчастей Komatsu PC600-8R - КОНДИЦ. ВОЗДУХА (ПРИЕМНЫЙ БАК)(№-9) КАБИНА ОПЕРАТОРА И СИСТЕМА УПРАВЛЕНИЯ
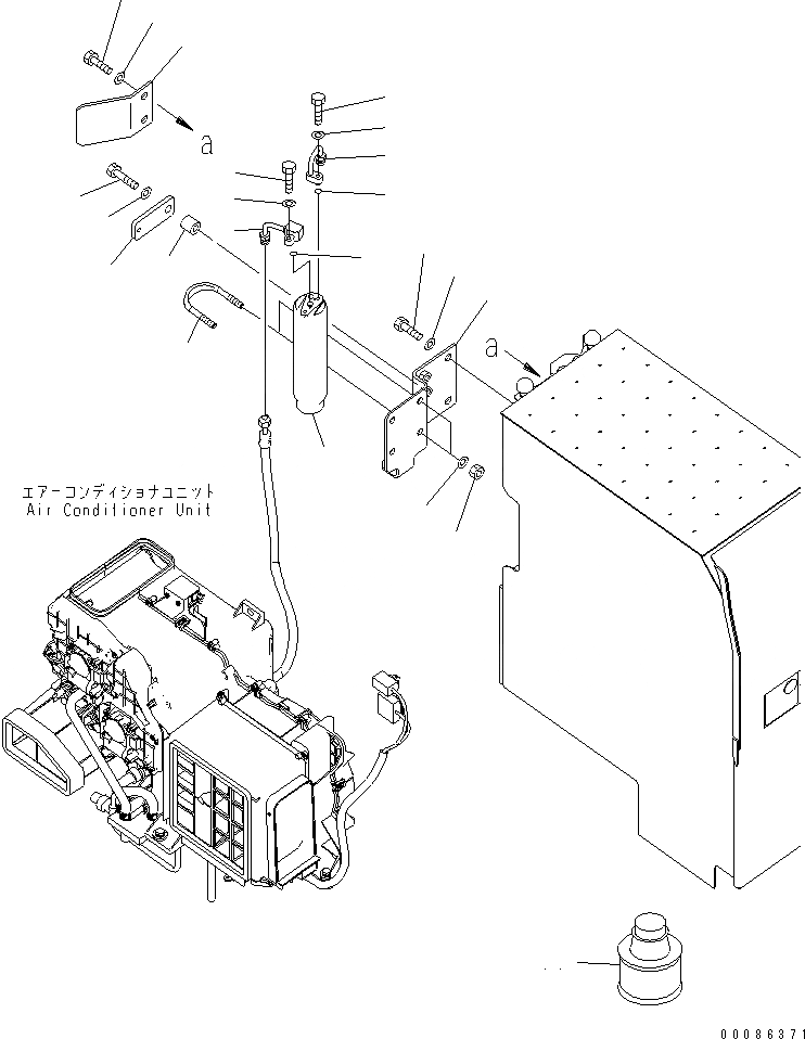
1
2
3
4
5
6
6
7
7
8
9
10
11
12
13
14
15
16
17
18
19
20
21
FIT
1:1
100%

Артикул

Название

Примечание

Количество

1

20Y-979-3120

TANK

2

21M-979-2220

TUBE

3

20Y-979-3150

O-RING

4

20Y-979-6650

TUBE

5

20Y-979-3150

O-RING

6

01010-80625

BOLT

7

01643-30623

WASHER

8

21M-979-2191

BRACKET

9

07283-36155

CLIP

10

01643-31032

WASHER

11

01597-01009

NUT

12

01010-81225

BOLT

13

01643-31232

WASHER

14

21M-979-2210

PLATE

15

01010-81225

BOLT

16

01643-31232

WASHER

17

21N-979-8160

OIL

18

21M-979-2230

PLATE

19

195-33-11220

SPACER

20

01010-81230

BOLT

21

01643-31232

WASHER

Выбрано товаров: 21